Расчет ждущего блокинг-генератора – Telegraph
➡➡➡ ПОДРОБНЕЕ КЛИКАЙ ТУТ!
В данном курсовом проекте производится расчет ждущего блокинг-генератора. Блокинг-генератор представляет собой Ждущий режим работы блокинг-генератора с общим эмиттером создается с помощью дополнительной базовой батареи.
Расчёт блокинг-генератора в автоколебательном режиме. Как любая электронная схема параметры работы блокинг-генератора полностью зависят от величин элементов составляющих схему, поэтому для расчёта необходимо задаться параметрами схемы.
Расчет блокинг генератора. Собрал простенький блокинг генератор по приведенной схеме. Подскажите формулы по которым можно рассчитать блокинг генератор, потребляемый ток, выходные напряжения, базовый ток, частоту, соотношение витков и их количество.
Расчет блокинг-генератора. ID: 144098 Дата закачки: 24 Июля 2014 Продавец: ilya01071980 Описание: В данном курсовом проекте производится расчет блокинг-генератора. Ждущий режим работы блокинг-генератора с общим эмиттером создается с помощью.
..
studentlib.com/kursovaya_rabota_teoriya-208333-raschet_zhduschego_bloking_generatora.html
Тезисы В данном курсовом проекте производится расчет ждущего блокинг-генератора. При использовании в качестве формирователей импульсов блокинг-генераторы работают в…
Картинки по запросу «Курсовая работа: Расчет ждущего блокинг-генератора»
Разработка и расчет принципиальной схемы ждущего блокинг-генератора, его использование в качестве формирователя импульсов, основные достоинства. Моделирование конструкции на ЭВМ с целью проверки принятых решений и уточнения полученных результатов.
Блокинг-генератор — это генератор импульсов сравнительно небольшой длительности и большого периода. Он работает благодаря трансформаторной обратной связи. Из-за простоты блокинг-генератор широко применяют в компактных преобразователях напряжения (например…
Блокинг-генератор применяется в электротехнике и электронике для возникновения внушительных, но коротких во времени сигналов-импульсов с резким фронтом и существенным отношением периода.
..
В данном курсовом проекте производится расчет ждущего блокинг-генератора. Блокинг-генератор представляет собой Ждущий режим работы блокинг-генератора с общим эмиттером создается с помощью дополнительной базовой батареи.
Расчёт блокинг-генератора в автоколебательном режиме. Как любая электронная схема параметры работы блокинг-генератора полностью зависят от величин элементов составляющих схему, поэтому для расчёта необходимо задаться параметрами схемы.
Расчет блокинг генератора. Собрал простенький блокинг генератор по приведенной схеме. Подскажите формулы по которым можно рассчитать блокинг генератор, потребляемый ток, выходные напряжения, базовый ток, частоту, соотношение витков и их количество.
Расчет блокинг-генератора. ID: 144098 Дата закачки: 24 Июля 2014 Продавец: ilya01071980 Описание: В данном курсовом проекте производится расчет блокинг-генератора. Ждущий режим работы блокинг-генератора с общим эмиттером создается с помощью…
studentlib.com/kursovaya_rabota_teoriya-208333-raschet_zhduschego_bloking_generatora.
html
Тезисы В данном курсовом проекте производится расчет ждущего блокинг-генератора. При использовании в качестве формирователей импульсов блокинг-генераторы работают в…
Картинки по запросу «Курсовая работа: Расчет ждущего блокинг-генератора»
Разработка и расчет принципиальной схемы ждущего блокинг-генератора, его использование в качестве формирователя импульсов, основные достоинства. Моделирование конструкции на ЭВМ с целью проверки принятых решений и уточнения полученных результатов.
Блокинг-генератор — это генератор импульсов сравнительно небольшой длительности и большого периода. Он работает благодаря трансформаторной обратной связи. Из-за простоты блокинг-генератор широко применяют в компактных преобразователях напряжения (например…
Блокинг-генератор применяется в электротехнике и электронике для возникновения внушительных, но коротких во времени сигналов-импульсов с резким фронтом и существенным отношением периода…
Реферат: Язык программирования Паскаль и ветвление
Реферат: Собственность: содержание и формы
Курсовая работа: Психологические особенности эмоционального здоровья студентов
Реферат: Информация как средство манипуляции
Реферат: Организация, планирование и экономика ветмероприятий при диспепсии молодняка кур-несушек на птицефабрике Свердловская
мир электроники — Блокинг-генератор
Электронные устройства
материалы в категории
Устройство блокинг-генератора
Блокинг-генератор представляет собой однокаскадный релаксационный генератор кратковременных импульсов с сильной индуктивной положительной обратной связью, создаваемой импульсным трансформатором.
Вырабатываемые блокинг-генератором импульсы имеют большую крутизну фронта и среза и по форме близки к прямоугольным. Длительность импульсов может быть в пределах от нескольких десятков нс до нескольких сотен мкс.
Обычно блокинг-генератор работает в режиме большой скважности, т. е. длительность импульсов много меньше периода их повторения. Скважность может быть от нескольких сотен до десятков тысяч.
Транзистор, на котором собран блокинг-генератор, открывается только на время генерирования импульса, а остальное время закрыт. Поэтому при большой скважности время, в течении которого транзистор открыт, много меньше времени, в течение которого он закрыт. Тепловой режим транзистора зависит от средней мощности, рассеиваемой на коллекторе.
Но одновременно с тем при большой скважности блокинг-генератор работает весьма экономично, так как транзистор потребляет энергию от источника питания только в течении небольшого времени формирования импульса.
Так же, как и мультивибратор, блокинг-генератор может работать в автоколебательном, ждущем режиме и режиме синхронизации.
Работа блокинг-генератора в автоколебательном режиме
Блокинг-генераторы могут быть собраны на транзисторах, включенных по схеме с ОЭ или по схеме с ОБ. Схему с ОЭ применяют чаще, так как она позволяет получить лучшую форму генерируемых импульсов (меньшую длительность фронта), хотя схема с ОБ более стабильна по отношению к изменению параметров транзистора.
Схема блокинг-генератора показана на рис. 1.
аботу блокинг-генератора можно разделить на две стадии. В первой стадии, занимающей большую часть периода колебаний, транзистор закрыт, а во второй — транзистор открыт и происходит формирование импульса. Закрытое состояние транзистора в первой стадии поддерживается напряжением на кондере С1, заряженным током базы во время генерации предыдущего импульса. В первой стадии кондер медленно разряжается через большое сопротивление резика R1, создавая близкий к нулевому потенциал на базе транзистора VT1 и он остается закрытым.![]()
Когда напряжение на базе достигнет порога открывания транзистора, он открывается и через коллекторную обмотку I трансформатора Т начинает протекать ток. При этом в базовой обмотке II индуктируется напряжение, полярность которого должна быть такой, чтобы оно создавало положительный потенциал на базе. Если обмотки I и II включены неправильно, то блокинг-генератор не будет генерировать. Значится, концы одной из обмоток, неважно какой, необходимо поменять местами.
Положительное напряжение, возникшее в базовой обмотке, приведет к дальнейшему увеличению коллекторного тока и тем самым — к дальнейшему увеличению положительного напряжения на базе и т. д. Развивается лавинообразный процесс увеличения коллекторного тока и напряжения на базе. При увеличении коллекторного тока происходит резкое падение напряжения на коллекторе.
Лавинообразный процесс открывания транзистора, называющийся прямым блокинг-процессом, происходит очень быстро, и поэтому во время его протекания напряжение на кондере С1 и энергия магнитного поля в сердечнике практически не изменяются.
Когда напряжение на базе постепенно приблизится к нулевому потенциалу, транзистор выходит из режима насыщения, и тогда восстанавливаются его усилительные свойства. Уменьшение тока базы вызывает уменьшение тока коллектора. При этом в базовой обмотке индуктируется напряжение, отрицательное относительно базы, что вызывает ещё большее уменьшение тока коллектора и т. д. Образуется лавинообразный процесс, называемый
Так как за время обратного блокинг-процесса напряжение на кондере С1 и энергия магнитного поля в сердечнике не успевают измениться, то после закрывания транзистора положительное напряжение на коллекторе продолжает расти и образуется характерный для блокинг-генератора выброс напряжения, после которого могут образоваться паразитные колебания.
Обратный выброс напряжения значительно увеличивает напряжение на коллекторе закрытого транзистора, создавая опасность его пробоя. Отрицательные полупериоды паразитных колебаний, трансформируясь в базовую цепь, могут вызвать открывание транзистора, т. е. ложное срабатывание схемы.
Для ограничения обратного выброса включают «демпферный» диод VD1. Во время основного процесса диод закрыт и не влияет на работу блокинг-генератора. Диод VD1 включается параллельно коллекторной обмотке трансформатора.
Опосля всех этих процессов происходит восстановление схемы в исходное состояние. Это и будет промежуток между импульсами. Процесс, так сказать, молчания заключается в медленном разряде кондера С1 через резик R1. Напряжение на безе при этом медленно растет, пока не достигнет порога открывания транзистора и процесс повторяется.
Период следования импульсов можно приближенно определить по формуле:
Tи≈(3÷5)R1C1
Ждущий режим блокинг- генератора
По аналогии со ждущим мультивибратором, для блокинг-генератора этот режим характерен тем, что схема генерирует импульсы только при поступлении на её вход запускающих импульсов произвольной формы.
Для получения ждущего режима в блокинг-генератор должно быть включено запирающее напряжение (рис. 2).
В исходном состоянии транзистор закрыт отрицательным смещением на базе (-Eб) и прямой блокинг-процесс начинается только после подачи на базу транзистора положительного импульса достаточной амплитуды. Формирование импульса осуществляется так же, как и в автоколебательном режиме. Разряд кондера С после окончания импульса происходит до напряжения -Eб. Затем транзистор остается закрытым до прихода следующего запускающего импульса. Форма и длительность импульсов, формируемых блокинг-генератором, зависит при этом от параметров схемы.
Для нормальной работы ждущего блокинг-генератора необходимо выполнить неравенство:
Тз≥(5÷10)R1C1
где Тз — период повторения запускающих импульсов.
Для устранения влияния цепей запуска на работу ждущего блокинг-генератора включают разделительный диод VD2, который закрывается после открывания транзистора, в результате чего прекращается связь между блокинг-генератором и схемой запуска.
Иногда в цепь запуска включают дополнительный каскад развязки (эмиттерный повторитель).
Примечание: сайт-источник: http://naf-st.ru
Расчет блокинг-генератора | Передатчик импульсный СВЧ диапазона | Разработки в сфере информационных технологий
В качестве подмодулятора возьмём блокинг-генератор (рисунок 4).
Сформулируем требования к блокинг-генератору на основе данных выбранной лампы-тиратрона — лампы ГМИ-2Б
Относительное изменение периода колебаний при изменении температуры от -60 до 60oC.
Руководствуясь требованиями к току нагрузки и длительности фронта выбираем высоковольтный кремниевый транзистор КТ 958 А.
Паспортные данные транзистора КТ 958 А:
Принимаем Eк примерно в 1.5 .2 раза меньше максимально допуст. напряжения коллектор-эмиттер при закрытом транзисторе.
Пересчитаем сопротивление и ёмкость нагрузки в первичную обмотку
Оптимальный коэффициент трансформации цепи обратной связи:
Сопротивление стабилизирующего резистора:
Оценим величину длительности фронта выходных импульсов:
Оптимальный коэффициент трансформации цепи обратной связи:
Определим индуктивность первичной обмотки из двух условий
Так как величина паразитной емкости получилось относительно маленькой величины, то она не будет влиять на колебательный режим.
Вычисляем сопротевление резистора R:
Проверяем, не превышает ли рассеиваемая на коллекторе мощность допустимой величины. |
Усилительный каскад с общим эмиттером Полупроводниковые электронные устройства делятся на два больших класса: аналоговые и цифровые (дискретные). В основе классификации лежит возможность изменения в устройстве электрического …
Микропроцессорная система на базе комплекта КР580 В данном курсовом проекте рассмотрен микропроцессорный комплект серии КР580. Этот набор микросхем, аналогичен набору микросхем Intel 82xx. Представляет собой 8-разрядный комплект на осн …
Разработка делителя мощности на микрополосковой линии В настоящее время область применения радиоэлектронных средств расширяется, комплексы радиосистем становятся все более сложными, это полностью относится и к радиотехнике СВЧ диапазона.
В …
Блокинг-генератор | Электроника | Каталог статей
Схема, устройство блокинг-генератора.
Транзистор VT1 — выбор транзистора зависит от применения блокинг-генератора. Решающими факторами являются максимально допустимое напряжение коллектор-эмиттер, максимальный ток коллектора и максимальная рассеиваемая мощность.
Резистор R1 — Резистор смещения. Его подбирают так, чтобы возникало самовозбуждение устройства. Его значения зависят от коэффициента передачи тока транзистора, параметров трансформатора и нагрузки. Я обычно начинаю подбор со 100 кОм, постепенно уменьшаю его сопротивление. Кроме того сопротивление этого резистора влияет на время между импульсами. Его уменьшение ведет к уменьшению паузы между импульсами.
Резистор R2, Конденсатор C1 — Эти детали вместе с резистором R1 определяют частоту работы генератора. Кроме того R2 должен быть таким, чтобы транзистор работал в режиме насыщения. Выбираем [Сопротивление R2] = 2 * [Напряжение на обмотке 1 при напряжении на обмотке 2, равном питанию] * [Коэффициент передачи тока транзистора VT1] / [Максимально возможный ток через транзистор VT1]. Емкость конденсатора C1 влияет на длительность импульса и длительность паузы. Увеличение емкости приводит к увеличению длительностей импульса и паузы.
Обмотка 1 трансформатора — выбираем [число витков обмотки 1] = 10 * [число витков обмотки 2] / [напряжение питания]. В этом случае в цепь обратной связи будет подаваться напряжение 10 вольт, что подходит для нормальной работы схемы.
Обмотка 2 трансформатора — число витков подбирается так, чтобы за время нахождения транзистора в открытом состоянии, трансформатор не входил в состояние насыщения.
В приведенной схеме трансформатор используется с зазором. Если генератор совсем маломощный, сердечник у трансформатора ферритовый, токи и напряжения малы, а число витков большое, то иногда можно использовать трансформатор без зазора. Если же сердечник из железа или имеют место достаточно большие токи подмагничивания, то зазор делать обязательно. Я всегда делаю зазор. Работа генератора предполагает размагничивание сердечника в моменты, когда трансформатор отключен от источника питания, но при отсутствии зазора магнитный гистерезис сердечника может быть столь велик, что размагничивание не будет происходить, сердечник окончательно намагнитится и войдет в насыщение.
Подробно останавливаться на расчете трансформатора не буду, но скажу, что зазор можно использовать совсем небольшой. 0.2 мм вполне подойдет.
Для целей размагничивания используется также обмотка 3. Обмотка 2 представляет собой некоторую катушку индуктивности. В результате приложения к ней на некоторое время напряжения, по ней начинает протекать ток и накапливается энергия.
Когда транзистор закрывается, этот ток не может прекратиться моментально. Необходимо куда-то деть накопленную энергию, иначе бросок напряжения выведет из строя транзистор. Можно конечно поглотить эту энергию, например, резистором в цепи базы, но это плохо скажется на КПД. Обмотка 3 подключена так, чтобы в ситуации, когда обмотка 2 запитана от источника (транзистор открыт), обмотка 3 была отключена от источника питания. Когда транзистор закрывается, на обмотке 2 возникает напряжение противоположной полярности. Тогда через обмотку 3 начинает идти ток, который возвращает энергию, накопленную в магнитном поле сердечника в цепи питания.Обмотка 3 может не применяться, если есть уверенность, что нагрузка, подключенная к выходу, поглотит всю энергию индуктивного броска, например, в схемах обратноходового преобразователя напряжения.
Обмотка 3 трансформатора — число витков определяется максимально возможным отношением длительности открытого состояния транзистора к длительности закрытого.
[Число витков обмотки 3] = 0.9 * [Число витков обмотки 2] * [Длительность закрытого состояния] / [Длительность открытого состояния]. Коэффициент 0.9 применяется для запаса, чтобы наверняка обеспечить размагничивание сердечника.Диод VD1 — защищает переход база — эмиттер транзистора от высокого напряжения обратной полярности. Имеет смысл применять диод, рассчитанный на ток, равный отношению напряжения на обмотке 1 к сопротивлению резистора R2. [Ток через диод VD1] = [Напряжения на обмотке 1] / [Сопротивление резистора R2].
Диод VD2 — Участвует в отводе тока размагничивания. Рассчитывая трансформатор, Вы вычислите ток намагничивания. Диод должен быть рассчитан на ток, равный току намагничивания, поделить на число витков в обмотке 3, умножить на число витков в обмотке 2. [Максимальное напряжение на диоде VD2] = [Напряжение питания] * (1 + [Число витков обмотки 3] / [Число витков обмотки 2]).
При включении питания транзистор приоткрывается за счет тока смещения через резистор R1. Так как напряжение к трансформатору не было приложено до этого, ток через обмотки не течет (ток через катушку индуктивности не может моментально измениться, через нагрузку также сразу не может возникнуть ток, так как всегда существует некоторая индуктивность связи или утечки). Так что на обмотке 2 сразу формируется все напряжение питания. Следовательно, на обмотке 1 возникает напряжение, определенное соотношением числа витков обмоток 2 и 1. Возникает дополнительный ток в цепи базы, достаточный для насыщения транзистора.
В таком состоянии схема прибывает, пока напряжение на конденсаторе не достигнет такого значения, что ток через резистор R2, зависящий от разницы напряжения на обмотке 1 и напряжения на конденсаторе, станет меньше, чем необходимо для насыщения транзистора. Транзистор начинает закрываться. Напряжение на обмотке 2, а значит на обмотке 1, меняет полярность. К базовому переходу транзистора теперь прилагается запирающее напряжение, равное падению напряжения на открытом диоде VD1.
Транзистор полностью закрывается.
Это состояние сохраняется до тех пор, пока конденсатор не разрядится через резисторы R1, R2 и обмотку 1. После разряда устройство переходит в исходное состояние, цикл повторяется вновь.
Блокинг-генератор применяется тогда, когда по каким-то другим причинам уже принято решение использовать трансформатор. В других случаях есть все основания использовать другие генераторы прямоугольных импульсов, так как трансформатор, даже маломощный — дорогое и громоздкое удовольствие.
В каких же схемах трансформатор все равно используется? Прежде всего, это схемы преобразователей напряжения, гальванической развязки, также устройства, в которых необходимо получить на выходе амплитуду сигнала, сильно отличную от напряжения питания.
Генераторы, схемы
Генератор — это усилитель с такой положительной обратной связью, которая обеспечивает поддержание сигнала на выходе усилителя без подачи внешнего входного сигнала.
Генератор преобразует постоянный ток (получаемый от источника питания) в переменный сигнал. Для возникновения устойчивых колебаний должны выполняться два основных требования:
а) обратная связь должна быть положительной;
б) полный петлевой коэффициент усиления должен быть больше 1.
Существует два типа генераторов: генераторы синусоидальных сигналов, вырабатывающие гармонические сигналы, и генераторы несинусоидальных сигналов, называемые также релаксационными генераторами или мультивибраторами, обычно вырабатывающие прямоугольные сигналы.
Генераторы с резонансным контуром в цепи коллектора
В схеме генератора на рис. 33.1 элементы L2 и C2 образуют резонансный контур, с которого снимается выходной сигнал.
Рис. 33.1. Генератор с резонансным Рис. 33.2. Генератор с резонансным контуром в
контуром в цепи базы.
цепи коллектора.
Часть этого выходного сигнала подается обратно на вход через трансформаторную связь L1 – L2 таким образом, чтобы сигнал обратной связи совпадал по фазе с сигналом на входе. Транзистор включен по схеме с ОЭ и работает в режиме класса А, который задается цепью смещения R1 – R2. Конденсатор C1 обеспечивает развязку для резистора R2 цепи смещения, а конденсатор C3 — развязку для обычного стабилизирующего резистора R3 в цепи эмиттера.
Генераторы с резонансным контуром в цепи базы
В схеме генератора на рис. 33.2 разделительный конденсатор C2 обеспечивает работу транзистораT1 в режиме класса С. Элементы L2 и C1 образуют резонансный контур.
Положительная обратная связь осуществляется через конденсатор C3 и трансформатор Тр1.
Трехточечная схема генератора с индуктивной обратной связью (схема Хартли)
В этом генераторе (рис. 33.3) катушка индуктивности с отводом L1 обеспечивает необходимую обратную связь на эмиттер транзистора. Элементы C2 и L1 образуют резонансный контур.
Трехточечная схема генератора с емкостной обратной связью (схема Колпитца)
В этом случае используется расщепленный конденсатор C1 — C2 (рис. 33.4). Элементы C1 — C2 и L1 образуют резонансный контур, конденсатор C3 обеспечивает работу транзистора в режиме класса С.
Генераторы с фазосдвигающей цепью обратной связи, или RC-генераторы
Синусоидальные колебания можно также получить с помощью специально подобранных RC-цепочек обратной связи, как показано на рис.
33.5. RC-секции R1– C1, R2– C2, R3– C3 образуют фазосдвигающую цепь, которая на заданной частоте обеспечивает сдвиг фазы сигнала на 180°. Поскольку транзистор сдвигает фазу сигнала на 180°, то в петле обратной связи получается полный фазовый сдвиг 360°. Таким образом, обратная связь оказывается положительной. Обычно номиналы всех резисторов и всех конденсаторов в фазосдвигающей цепи выбираются одинаковыми, и каждая RC-секция вносит фазовый сдвиг 60°.
Рис. 33.3. Схема Хартли. Рис. 33.4. Схема Колпитца.
Рис. 33.5.RC-генератор с фазосдвигающей цепью обратной связи на элементах R1– C1,
R2– C2, R3– C3, обеспечивающей сдвиг фазы сигнала на 180°.
Еще раз отметим, что вся фазосдвигающая цепь обеспечивает фазовый сдвиг 180° только на одной частоте, определяемой номиналами используемых компонентов.
Кварцевые генераторы
Одним из самых важных требований, предъявляемых к генератору, является стабильность частоты генерируемых им колебаний. Изменения частоты могут быть вызваны, например, изменением емкости или индуктивности элементов резонансного контура или изменением параметров транзистора при колебаниях температуры. Стабильность частоты можно улучшить путем точного подбора элементов схемы, в том числе транзистора. Для обеспечения очень высокой стабильности частоты применяется кристалл кварца, точно задающий и стабилизирующий частоту колебаний. В небольших пределах частоту генератора с кварцевой стабилизацией можно изменять с помощью конденсатора переменной емкости, подключаемого параллельно кристаллу кварца. Кварцевые генераторы используются в цветных телевизорах для генерации поднесущей частоты 4,43 МГц с точностью до нескольких герц.
УВЧ-генераторы
Генераторы очень высоких и ультравысоких частот (УВЧ) по принципу работы аналогичны другим генераторам. Однако из-за очень высокой частоты емкости и индуктивности элементов настройки С и L очень малы. Катушку индуктивности может заменить одна полоска проводника или простая петля из меди. В качестве конденсатора может служить варактор. Для построения резонансной схемы иногда используются отрезки длинных линий, имеющих распределенную емкость и индуктивность.
Генераторы несинусоидальных сигналов
Эти генераторы, называемые еще релаксационными генераторами, вырабатывают прямоугольные импульсные сигналы путем переключения одного или двух транзисторов из открытого состояния в закрытое и обратно. Несинхронизированный мультивибратор, описанный в предыдущей главе, является примером такого генератора. Другой разновидностью генератора несинусоидальных сигналов является блокинг-генератор.
Блокинг-генератор
В генераторе этого типа применяется трансформаторная обратная связь с коллектора на базу транзистора (рис.
33.6). Работа этой схемы основана на том, что в силу трансформаторной связи напряжение на базе будет наводиться только при изменении тока коллектора, то есть при его увеличении или уменьшении. В первом случае действует положительная обратная связь, во втором — отрицательная. При первом включении схемы транзистор открывается, его коллекторный ток увеличивается, создавая напряжение обратной связи на базе, в результате чего транзистор открывается еще больше. Когда достигается насыщение, увеличение коллекторного тока прекращается, что вызывает появление на базе напряжения противоположной полярности. Это напряжение закрывает транзистор. Транзистор удерживается в закрытом состоянии отрицательным зарядом на конденсаторе С до тех пор, пока этот конденсатор в достаточной степени не разрядится через резистор R. После этого транзистор снова отпирается и описанный процесс повторяется.
Выходное напряжение блокинг-генератора представляет собой последовательность узких импульсов (рис.
33.7). Ширина (длительность) импульса определяется параметрами трансформатора, а временной интервал между импульсами — постоянной времени RC. Поэтому частоту колебаний блокинг-генератора можно изменять путем изменения номинала резистора R.
Рис. 33.6. Блокинг-генератор.
Рис. 33.7. Выходной сигнал блокинг-генератора.
Рис. 33.8. Генератор на однопереходном транзисторе.
Вторичная обмотка трансформатора является коллекторной нагрузкой транзистора. Быстрое изменение тока через эту обмотку при закрывании транзистора приводит к появлению большой противоЭДС и большого выброса коллекторного напряжения. Этот выброс напряжения может превысить максимально допустимое коллекторное напряжение и вызвать разрушение транзистора. Для защиты транзистора параллельно первичной обмотке трансформатора включается диод D1.
В нормальном режиме этот диод смещен в обратном направлении и закрыт. Открывается он только в том случае, когда напряжение на коллекторе транзистора превышает напряжение источника питания VCC.
Генераторы на однопереходных транзисторах
Полупроводниковые приборы, имеющие на характеристике участок с отрицательным сопротивлением, например одиопереходные транзисторы, могут быть использованы в генераторах. На рис. 33.8 приведена схема генератора на однопереходном транзисторе. Транзистор смещен в ту область своей выходной характеристики, где выходной ток увеличивается при уменьшении входного напряжения, то есть в область отрицательного сопротивления. Он попеременно открывается и закрывается без какой-либо обратной связи. Выходное напряжение на базе 2 (b2) представляет собой последовательность импульсов. Еще один выходной сигнал — последовательность импульсов противоположной полярности — можно снять с базы 1 (b1).
С эмиттера транзистора можно снять пилообразный сигнал. Частота генерируемых импульсов определяется постоянной времени R1C1.
Генераторы пилообразного напряжения
На рис. 33.9 показана схема генератора, вырабатывающего пилообразный сигнал при подаче на его вход прямоугольных импульсов. На участке периода входной последовательности импульсов между точками А и В (рис. 33.10) на базе транзистора действует нулевое напряжение, и транзистор находится в состоянии отсечки, т. е. закрыт. Конденсатор C1 постепенно заряжается через резистор R1. Прежде чем конденсатор полностью зарядится, на вход поступает положительный фронт ВС импульса, переключающий транзистор в проводящее состояние. В результате конденсатор C1 очень быстро разряжается через открытый транзистор. Конденсатор находится в разряженном состоянии во время действия импульса (вершина CD).
Отрицательный фронт DE импульса переключает транзистор в состояние отсечки, конденсатор C1 снова начинает заряжаться и т. д.
Рис. 33.9. Генератор пилообразного напряжения,
управляемый последовательностью
прямоугольных импульсов.
Рис. 33.10. Форма сигналов на входе и
выходе генератора пилообразного напряжения.
Тот же принцип заряда и разряда конденсатора используется и в других генераторах пилообразного напряжения. На рис. 33.11 приведены схемы двух таких генераторов на основе несинхронизированного мультивибратора и блокинг-генератора соответственно, применяемых в блоках: развертки телевизоров. Потенциометр R1 управляет частотой развертки (кадровой синхронизацией), а потенциометр R2 — амплитудой сигнала развертки (размером изображения по вертикали).
Рис. 33.11. Генераторы пилообразного напряжения на основе (а) несинхронизированного мультивибратора и (б) блокинг-генератора, применяемые в блоках кадровой развертки телевизоров.
В этом видео рассказывается о генераторах для исследования, настройки и испытаний систем и приборов:
Добавить комментарий
ЛАВИНА В ТРАНЗИСТОРЕ | Техника и Программы
Среди множества уже знакомых вам электронных устройств есть, пожалуй, одно, о котором мы упоминали чаще всего. Это мультивибратор. Используется он обычно в качестве автоматического переключателя или источника импульсных сигналов. Но вот что интересно: оказывается, у мультивибратора имеется серьезный конкурент — блокинг-генератор.
Долгое время инженеры-электронщики никак не могли решить, кому из них отдать пальму первенства. Так и соседствовали рядом эти два непохожих друг на друга генератора. Что же за соперник оказался у мультивибратора? Расскажем об этом подробнее.
Блокинг-генератор представляет собой однокаскадный усилитель с сильной положительной обратной связью. В таком электронном устройстве всего два главных «действующих лица». Это усилительный элемент — чаще всего транзистор, работающий в ключевом режиме, и трансформатор, одна из обмоток которого присоединена к цепи обратной связи. Конечно, блокинг-генератор содержит и другие элементы — резисторы, конденсаторы, иногда диоды, но их роль второстепенна.
Чем же хорош такой генератор? В первую очередь максимальной простотой. Но, несмотря на свою простоту, он может генерировать импульсы в очень широком диапазоне частот — от долей герца до десятков кГц. А если у трансформатора, стоящего в цепи обратной связи, намотать повышающую выходную обмотку, можно получать выходной сигнал с очень большой амплитудой — при этом никакие дополнительные усилительные каскады не нужны.
Название блокинг-генератрра произошло от английского слова «blocking», одно из значений которого переводится как соединять, совмещать. Данное определение как нельзя лучше подходит к этому электронному устройству — ведь в нем удачно соединились свойства усилителя и генератора.
А теперь посмотрите на рисунок 1, где изображена принципиальная схема простейшего блокинг-кенератора. В нем всего четыре элемента — транзистор, трансформатор, резистор и конденсатор. Обмотка I трансформатора включена в цепь обратной связи, а обмотка II — в коллекторную цепь, транзистора. Конденсатор задает частоту генерации, а резистор Ro создает необходимое напряжение смещения на базе транзистора.
Нагрузка Rh подключена к генератору через выходную обмотку III трансформатора.
На рисунке 2 показаны временные диаграммы базового и коллекторного токов, а также напряжения на коллекторе транзистора. Они помогут нам лучше понять процессы, происходящие в блокинг-генераторе.
После включения питания через обмотку I трансформатора начинает заряжаться конденсатор.
Это приводит к появлению слабого тока в базовой цепи транзистора, и он приоткрывается. Возникающий коллекторный ток за счет усиления во много раз превышает базовый. При этом с обмотки II на обмотку I трансформатора наводится сильная ЭДС. Конденсатор начинает заряжаться быстрее, а ток базы увеличивается еще больше. Далее, в результате усиления, в свою очередь, еще больше возрастает коллекторный ток. Не правда ли, этот процесс похож на падение с горы снежной лавины, которая по пути увлекает за собой все большую снежную массу? Именно по этой аналогии быстрое нарастание коллекторного тока в транзисторе стали называть лавинообразным. В тот момент, когда конденсатор полностью зарядится, транзистор входит в насыщение, и лавинообразное возрастание тока прекращается. Его величина становится на некоторое время постоянной. При этом напряжение на коллекторе транзистора падает практически до нуля. Теперь конденсатор начинает разряжаться через переход «база — эмиттер» транзистора, поскольку сопротивление этого перехода незначительно.
В результате снижается коллекторный ток, что приводит к возникновению в обмотке I трансформатора ЭДС, которая еще больше ускоряет разряд конденсатора. В тот момент, когда он разрядится полностью, транзистор закроется, ток в цепи коллектора прекратится, а напряжение на коллекторе вновь увеличится до первоначального значения.
Рис. 1. Электрическая схема блокинг-генератора.
Рис. 2. Временные диаграммы: : а — базового тока, б — коллекторного тока, в — напряжения на транзисторе.
Рис. 3.
Принципиальная схема ЭМИ.
Далее описанные процессы повторяются заново. Более того, за счет существования в блокинг-генераторе сильной обратной связи импульсы вырабатываются им непрерывно.
Работу транзистора и трансформатора в блокинг-генераторе можно сравнить с игрой теннисистов на спортивном корте. Словно два игрока, поочередно подающих мяч на площадку соперника, транзистор и трансформатор обмениваются «подачами» — порциями электроэнергии, взаимно стимулируя работу друг друга.
Каждая «подача» — импульс, который снимается с выходной обмотки III трансформатора и поступает в нагрузку Rh. «Поединок» транзистора и трансформатора в блокинг-генераторе прекращается лишь после отключения питания.
Блокинг-генераторы чаще всего применяются в автоматике, цифровой и импульсной технике. Многие годы они использовались в электронно-вычислительных машинах первых поколений.
К сожалению, у блокинг-генерато-ров наряду с несомненными достоинствами выявились и ряд серьезных недостатков. С развитием электроники и появлением микросхем стало очевидным, что блокинг-генераторы проигрывают мультивибраторам, созданным на базе ИМС, в габаритах, массе, быстродействии; требуют больших усилий на изготовление. На рубеже 60-х годов с этими недостатками уже невозможно было мириться, так как быстро развивающаяся автоматика, импульсная и вычислительная техника нуждались во все более миниатюрных, легких, недорогих элементах, обладающих высочайшей скоростью обработки и передачи информации.
И тогда инженеры-электронщики отдали свое предпочтение мультивибраторам, которые стали постепенно вытеснять блокинг-генераторы из радиоэлектронной техники.
Конечно, это не означает, что о бло-кинг-генераторах в конце концов забыли совсем. Конструкторы-любители придумали ему много новых «профессий». Об одной из них мы и хотим рассказать: предлагаем собрать на основе блокинг-генератора оригинальный электромузыкальный инструмент.
Рис. 4. Монтажная плата ЭМИ со схемой расположения элементов.
«Изюминка» игрушки в том, что у нее отсутствует клавиатура. На корпусе ЭМИ имеются всего две металлические пластины. Если прикоснуться к ним пальцами, игрушка «зазвучит». Однако, прежде чем познакомить вас с техникой исполнения мелодий на таком музыкальном инструменте, расскажем о его конструкции.
На рисунке 3 показана принципиальная схема ЭМИ. Как видите, он очень прост, содержит всего несколько радиоэлементов и представляет собой один из вариантов схемы олокинг-генератора.
Этот прибор отличается от рассмотренного выше тем, что один из выводов обмотки I трансформатора Т1 соединен непосредственно с базой транзистора VT1, а конденсатор С1, ранее стоявший в базовой цепи, теперь включен между вторым выводом обмотки I и общим проводом питания. Кроме того, p-n-р транзистор заменен на полупроводниковый прибор с п-р-п структурой.
Расскажем, как работает такой ЭМИ. После включения питания тумблером SA1 генератор «молчит», так как резистор R1 «оторван» от «плюсового» провода питания, и на базе транзистора VT1 отсутствует напряжение смещения. Если теперь одновременно коснуться руками металлических пластин-сенсоров Е1 и Е2, между «плюсовым» проводом питания и базой VT1 образуется электрическая цепь, состоящая из последовательно соединенных подстроечного резистора R1 и вашего тела, выполняющего в данном случае роль постоянного резистора. Напряжение смещения через образовавшуюся цепь поступает на базу VT1. Что происходит дальше? Возникают те же самые процессы, о которых мы уже рассказывали, знакомясь с работой блокинг-генератора.
Конденсатор С1 периодически заряжается и разряжается, и в такт ему открывается и закрывается транзистор VT1. Генерируемые импульсы поступают в обмотку II Т1, а электрический сигнал снимается с обмотки III и преобразуется динамической головкой ВА1 в звуковые колебания определенной тональности.
От чего зависит тональность звучания ЭМИ? От величины сопротивления вашего тела, включенного между сенсорами Е1 и Е2. А оно, в свою очередь, определяется площадью и плотностью контакта пальцев ваших рук с металлическими пластинами. Чем больше эта площадь, чем плотнее вы прижали руки к сенсорам, тем меньше будет величина сопротивления в цепи управления. При этом генератор будет вырабатывать сигнал высокой частоты. Если руки прижаты неплотно или не по всей поверхности сенсоров, сопротивление в цепи управления станет большим, а тональность звучания ЭМИ будет низкой. Немного тренировки, и на таком музыкальном инструменте можно научиться исполнять несложные мелодии.
После того как вы познакомились с работой игрушки, можно приступать к ее сборке.
Транзистор, трансформатор, подстроечный резистор и конденсатор размещаются на монтажной плате размером 40×25 мм. Ее лучше всего изготовить из фольги-рованного гетинакса или текстолита толщиной 1—2 мм. Чертеж такой платы и схема расположения на ней деталей — на рисунке 4.
В игрушке можно использовать следующие радиоэлементы. Транзистор— любой из серий КТ601— КТ603, КТ608, КТ801. Конденсатор — .марки КМ5, КМ6, К73 или любой другой малогабаритный. Подстроечный резистор — типа СПЗ-1. Динамическая головка — мощностью 0,1—0,5 Вт с сопротивлением звуковой катушки 4—10 Ом. Тумблер — малогабаритный, например МТ или МТД. Батарея питания напряжением 9 В — «Корунд».
Трансформатор необходимо изготовить самостоятельно. Его каркас (рис. 5) склеен из плотней бумаги. В качестве сердечника подойдет круглый ферритовый стержень марки 400НН или 600НН 0 8 мм и длиной 20 мм.
Рис. 5. Каркас трансформатора с сердечником:
1— каркас, 2— ферритовый сердечник, 3— выводы.
Установив сердечник внутрь цилиндра, приклейте к нему с обеих сторон два круглых плоских диска 0 22 мм. Их можно вырезать из картона толщиной 1 мм. В одном из дисков сделайте шесть отверстий 0 1 мм и вставьте в них короткие отрезки медного луженого провода — выводы будущего трансформатора.
Обмотки I и II содержат по 600 витков провода ПЭЛ 0,1 или ПЭВ 0,1, намотанного в навал. Обмотка III состоит из 300 витков провода ПЭЛ 0,3 или ПЭВ 0,3, также намотанного в навал. Концы обмоток подпаяйте к выводам таким образом, чтобы при установке трансформатора на плате обмотки соединялись с соответствующими токопроводящими дорожками. Полученную катушку оберните несколькими слоями плотной бумаги для предотвращения механических повреждений проводов.
ЭМИ собирается в пластмассовом корпусе размером 100X65X40 мм. Для этой цели подойдет, например, обычная мыльница. На верхней панели корпуса установите динамическую головку и сенсор Е2. Отверстие под «динамик» закройте тканью или тонким листом цветной бумаги.
Сенсор Е2 представляет собой тонкую латунную или медную пластину размером 55X25 мм. Тумблер закрепите на правой боковой стенке корпуса. На верхней его панели размещается сенсор Е1. Он выполнен из того же материала, что и Е2, и имеет размеры 20X X Ю мм. Монтажная плата и батарея питания крепятся на дне корпуса.
Игрушка не нуждается в налаживании. При правильном монтаже и исправных деталях она начинает работать сразу после включения питания. Дополнительную подстройку диапазона генерируемых частот в небольших пределах можно выполнить вращением движка резистора R1.
В заключение познакомьтесь с техникой исполнения на таком музыкальном инструменте. Возьмите игрушку в левую руку так, чтобы указательный палец был плотно прижат к сенсору Е1, включите тумблером питание. При прикосновении пальцами правой руки к сенсору Е2 в динамической головке раздастся звук. Чем больше площадь контакта пальцев с сенсором Е2, тем выше звук и наоборот. Если убрать правую руку, ЭМИ будет молчать.
В.
ЯНЦЕВ
«Моделист-Конструктор» 3 1990
OCR Pirat
Вычитание вида 16. Сложение
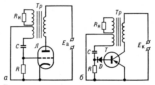
Блокинг-генератор представляет собой однокаскадный генератор релаксационных колебаний с сильной положительной обратной связью, осуществляемой с помощью импульсного трансформатора. Блокинг-генератор генерирует прямоугольные импульсы с малыми длительностями фронта и среза и практически плоской вершиной. Длительность генерируемых импульсов лежит в пределах от десятков наносекунд до сотен микросекунд. Характерной особенностью блокинг-генераторов является возможность получения большой скважности импульсов – от нескольких единиц до нескольких сотен.
Схема блокинг-генератора, работающего в автоколебательном режиме, приведена на рис. 1,а.
Рисунок 1
В цепь коллектора транзистора включена первичная обмотка W к импульсного трансформатора, вторичная обмотка которого используется для создания положительной обратной связи: при увеличении коллекторного тока I к напряжение на базовом конце обмотки W б отрицательно, что приводит к отпиранию транзистора.
Рассмотрим работу схемы с закрытого состояния транзистора VT1, которое поддерживается разрядным током конденсатора С1, протекающим от го правой обкладки через резистор R1, -Ек, общую точку, базовую обмотку импульсного трансформатора к левой обкладке конденсатора. Наводимая в базовой обмотке импульсного трансформатора ЭДС при протекании медленно меняющегося тока настолько мала, что ею можно пренебречь по сравнению с напряжением на конденсаторе и считать, что в течение разряда конденсатор подключен между базой и эмиттером (плюс к базе). Это обеспечивает закрытое состояние транзистора (интервал 0 – t 1 на рис. 1,б). В тот момент, когда понижающееся вследствие разряда конденсатора С1 напряжение на базе достигнет нуля (момент t 1), транзистор VT1 откроется. Появившийся базовый ток вызовет возрастание коллекторного тока, что приводит к наведению в базовой обмотке импульсного трансформатора ЭДС, приложенного знаком минус к базе, если базовая и коллекторная обмотки сфазированы соответствующим образом.
Наведенная в базовой обмотке ЭДС способствует возрастанию тока базы, а, следовательно, и тока коллектора. В результате процесс нарастания токов базы и коллектора и снижения (по абсолютной величине) коллекторного напряжения протекает лавинообразно (интервал t 1 – t 2). Этот процесс прекращается в тот момент, когда ток коллектора достигает насыщения (момент t 2). Начиная с этого момента, наступает этап формирования вершины импульса (интервал t 2 – t 3). Напряжение на коллекторе насыщенного транзистора остается практически постоянным (близким к нулю), а почти все напряжение источника питания прикладывается к коллекторной обмотке, вызывая увеличение тока намагничивания . В базовой обмотке индуцируется ЭДС, равная n Б *Е к (где n Б = W б /W к – коэффициент трансформации импульсного трансформатора), под воздействием которой конденсатор С1 к моменту t 3 заряжается до значения через входное сопротивление насыщенного транзистора. По мере заряда конденсатора ток базы транзистора уменьшается.
Это приводит к уменьшению степени насыщения транзистора, и в момент t 3 транзистор выходит из состояния насыщения. Формирование плоской вершины импульса заканчивается.
Далее транзистор вновь переходит в активный режим, при котором уменьшение тока базы приводит к уменьшению тока коллектора (интервал t 3 – t 4), при этом формируется срез импульса. В момент t 4 транзистор закрывается (режим отсечки тока).
После окончания переходного процесса транзистор остается запертым положительным напряжением на базе . В дальнейшем (на интервале t 4 – t 5) происходит рассмотренный ранее разряд конденсатора и лавинным процесс повторяется. Выходное импульсное напряжение снимается с нагрузочной обмотки W н и поступает на сопротивление нагрузки R н. Регулировка длительности генерируемых импульсов может осуществляться с помощью добавочного переменного резистора R доб в цепи заряда конденсатора.
Блокинг – генератор представляет собой генератор кратковременных импульсов повторяющихся через довольно большие промежутки времени.
Одним из достоинств блокинг — генераторов являются сравнительная простота, возможность подключения нагрузки через трансформатор, высокий КПД, подключения достаточно мощной нагрузки.
Блокинг-генераторы очень часто используются в радиолюбительских схемах. Но мы будем запускать от этого генератора светодиод.
Очень часто в походе, на рыбалке или охоте нужен фонарик. Но не всегда под рукой есть аккумулятор или батарейки 3В. Данная схема может запустить светодиод на полную мощность от почти разряженной батарейки.
Немного о схеме. Детали: транзистор можно использовать любой (n-p-n или p-n-p) в моей схеме КТ315Г.
Резистор нужно подбирать, но об этом потом.
Кольцо ферритовое не очень большое.
И диод высокочастотный с низким падением напряжения.
Итак, убирался я в ящике в столе и нашел старый фонарик с лампочкой накаливания, конечно же, сгоревшей, а недавно видел схему этого генератора.
И решил я спаять схему и засунуть в фонарик.
Ну-с приступим:
Для начала соберем по этой схеме.
Берем ферритовое кольцо (я вытащил из балласта люминесцентной лампы) И мотаем 10 витков проводом 0,5-0,3мм (можно и тоньше, но не удобно будет). Намотали, делаем петельку, ну или отвод, и мотаем еще 10 витков.
Теперь берем транзистор КТ315, светодиод и наш трансформатор. Собираем по схеме (см. выше). Я поставил еще конденсатор параллельно с диодом, так ярче светилось.
Вот и собрали. Если светодиод не горит, поменяете полярность батарейки. Все равно не горит, проверьте правильность подключения светодиода и транзистора. Если все правильно и все равно не горит, значит не правильно намотан трансформатор. Если честно у меня тоже схема завелась далеко не с первого раза.
Теперь дополняем схему остальными деталями.
Поставив диод VD1 и конденсатор С1 светодиод засветится ярче.
Последний этап — подборка резистора. Вместо постоянного резистора ставим переменный на 1,5кОма.
И начинаем крутить. Нужно найти то место где светодиод светит ярче, при этом надо найти место где если увеличить сопротивление хоть чуть-чуть светодиод гаснет. В моем случае это 471Ом.
Ну ладно, теперь ближе к делу))
Разбираем фонарик
Вырезаем из одностороннего тонкого стеклотекстолита кружок под размер трубки фонарика.
Теперь идем и ищем детали нужных номиналов размером несколько миллиметров. Транзистор КТ315
Теперь размечаем плату и разрезаем фольгу канцелярским ножом.
Лудим плату
Исправляем косяки, если таковы имеются.
Теперь чтобы паять плату нам нужно специальное жало, если нет — не беда. Берем проволоку 1-1,5мм толщиной. Тщательно зачищаем.
Теперь наматываем на имеющийся паяльник. Конец проволоки можно заострить и залудить.
Ну-с приступим припаивать детали.
Можно воспользоваться лупой.
Ну, вроде все припаяли, кроме конденсатора, светодиода и трансформатора.
Теперь тест-запуск.
Все эти детали (не припаивая) прицепляем на «сопли»
Ура!! Получилось. Теперь можно не опасаясь все детали припаивать нормально
Мне вдруг стало интересно, какое же напряжение на выходе, я измерил
Блокинг-генератор применяется в электротехнике и электронике для возникновения внушительных, но коротких во времени сигналов-импульсов с резким фронтом и существенным отношением периода повторения импульсов к их длительности (скважность). В настоящем применяются в экранах электронно-лучевых приборов (кинескоп, осциллограф).
Принцип работы
По своей сути, блокинг генератор является усилителем (генератором), собранным на базе транзисторов, расположенных в один каскад. Область применения узка: источник внушительных, но скоротечных по времени (продолжительность от тысячных долей до нескольких десятков мкс) сигналов-импульсов с большой индуктивной плюсовой обратной связью. Скважность – больше 10 и может доходить до нескольких десятков тысяч в относительных величинах.
Наблюдается серьезная резкость фронтов, по своей форме практически не отличающихся от геометрически правильных прямоугольников.
Усилитель, используемый для изготовления блокинг-генератора, находится в открытом положении исключительно в период формирования сигнала-импульса. На всё остальное время – закрывается. Отсюда следует, что при большой величине отношения периода повторения импульсов к их длительности усилительный элемент находится в открытом положении существенно меньшее количество времени, чем в закрытом. У усилителя существует тепловой режим. В данном случае он напрямую связан со средней мощностью, отдающейся коллектором. За счёт высокой величины скважности при работе устройства получают существенную мощность в течение сигнала малой мощности.
Существенная величина скважности блокинг-генератора позволяет ему работать в экономичном режиме, т.к. энергия требуется усилителю только во время открытого положения (время формирования сигнала). Основные режимы работы: автоколебательный и ждущий.
Рассмотрим их подробнее.
Чаще всего блокинг-генератор собирается на усилительных элементах – транзисторах, включаемых по двум основным схемам:
- с общим эмиттером;
- с общей базой.
Первая встречается чаще, т.к., имея меньшую длительность фронта, есть возможность сгенерировать предпочтительную форму сигналов. Вторая схема менее подвержена колебаниям характеристик усилителей.
Рабочий процесс рассматриваемого устройства делится на 2 стадии:
- закрытое положение транзистора, занимает основное время периода колебаний;
- транзистор в открытом положении, сигнал-импульс проходит стадию формирования.
У конденсатора С1 происходит заряд током источника в течение образования импульса. За счёт этого С1 обеспечивает закрытое положение усилительного элемента. Во время данной стадии у конденсатора С1 происходит неспешная разрядка через существенное сопротивление резистора R1. При этом на базе диода VT1 создается около нулевой потенциал, что не позволяет ему открыться.![]()
При достижении порога напряжения открытия у усилительного элемента происходит процесс открывания, и сквозь обмотку I, называющуюся коллекторной, трансформатора Т потечёт ток. В этот момент в основной или базовой обмотке II происходит индукция потенциала. Полярность должна быть такова, чтобы образующееся на базе транзистора напряжение имело положительную полярность. В случае ошибочного подключения обмоток трансформатора устройство генерировать сигналы не будет. В этом случае требуется переподключить концы одной из обмоток. Блокинг-генератор заработает.
Важно! Обвальное развитие процесса открытия транзистора имеет название прямого блокинг-процесса.
В I обмотке трансформатора появляется положительное напряжение, что ведёт к возрастанию различных токов и, следовательно, продолжению снижения напряжения коллектора и базы усилителя. Совершается резкое нарастание коллекторного тока и напряжения на усилительном элементе. В следующий момент напряжение падает почти до нуля, и устройство переходит в режим насыщения.
Важно! Обвальное развитие процесса закрытия транзистора имеет название обратного блокинг-процесса.
Открытие усилителя происходит практически мгновенно, поэтому в течение всего этого времени потенциал конденсатора С1 и величина энергии в трансформаторе практически не претерпевают изменений. Фронт импульса сформирован. Происходит образование вершины импульса, конденсатор С1 начинает заряжаться.
Выход усилительного элемента из режима насыщения означает, что ток у коллектора опять начинает зависеть от количества накопленного в базе транзистора заряда, а базовый ток уменьшается. Усилительные свойства транзистора начинают восстановление. В этот момент в первичной обмотке трансформатора формируется отрицательное относительно транзистора напряжение. Данный процесс ведёт к продолжению уменьшения коллекторного тока. Происходит формирование среза импульса.
Ти » (3 – 5) R1С1 – таким выражением характеризуется автоколебательный режим.
Ждущий режим
При ждущем режиме работы рассматриваемого устройства генерация сигналов происходит только с помощью внешнего воздействия – на вход необходимо подать произвольные запускающие импульсы.
В начальном состоянии усилительный элемент закрывается отрицательным смещением на базе, и лавинообразное развитие процесса открытия транзистора начнется исключительно только после подачи противоположного по знаку импульса соответствующей амплитуды на базу.
Появление импульса происходит по полной аналогии автоколебательного режима, рассмотренного выше. Конденсатор С1 разряжается до изначального напряжения базы. Далее транзистор остается в закрытом состоянии до появления последующего запускающего импульса. Длительность сигналов, а также их форма, исходящих от рассматриваемого устройства, находятся в полной зависимости от параметров собранной схемы.
Чтобы цепь запуска не оказывала никакого воздействия на работу находящего в ждущем режиме блокинг-генератора, в представленной схеме присутствует специальный разделительный диод VD2. Его задачей является закрытие сразу за окончанием процесса открывания транзистора. Это действие обрывает связь между внешним источником и интересующим нас устройством.
Допускается добавлять в расчёт представленной схемы эмиттерный повторитель.
Таким образом, подытоживаем принцип работы блокинг генератора на полевом транзисторе: если при исчезновении напряжения на базе транзистора условия, требуемые для повторения цикла без внешнего воздействия, не исполняются, то этот режим работы называется ждущим. Если же при исчезновении напряжения там же начинается новый цикл по образованию нового импульса без привлечения внешнего источника, то режим работы схемы автоколебательный.
Видео
В статье Вам будут предложены , но, для начала, немного теории.
Есть один распространенный тип генераторов, в котором всеми событиями управляет заряд — разряд конденсатора. Это блокинг-генератор , его упрощенная схема показана на рисунке. Знакомство с работой блокинг-генератора начнем с того момента, когда включено питающее напряжение и в коллекторной цепи появился ток. Нарастающий коллекторный ток сразу через трансформатор наведет напряжение в базовой цепи.
Причем напряжение такой полярности (это зависит от того, как включена обмотка II), которая способствует еще большему открыванию транзистора. Транзистор открывается лавинообразно до полного насыщения (напряжение на нагрузке максимально, на самом коллекторе около нуля), а ток положительной обратной связи заряжает конденсатор Сд и при этом поддерживает транзистор в открытом состоянии. Но после того, как этот конденсатор полностью зарядится до напряжения на обмотке U ц, ток через него прекратится и транзистор скачком закроется постоянным напряжением на конденсаторе, которое имеет положительную полярность относительно базы. Теперь напряжение Uс на конденсаторе Сg начинает постепенно уменьшаться, он разряжается через резистор Re. И вот наступает такой момент, когда конденсатор уже не может противодействовать «минусу», поступающему на базу через Rq: транзистор мгновенно открывается, в коллекторной цепи появляется ток и все начинается сначала — опять рывок коллекторного тока, опять заряд конденсатора, опять он закрывает транзистор, постепенный разряд конденсатора и в какой-то момент снова открывание транзистора и очередной рывок коллекторного тока…
Так в блокинг-генераторе транзистор, разумеется с помощью трансформатора и разрядной RС-цепочки, периодически сам себя открывает и закрывает, генерирует меняющееся напряжение.
Частота этого напряжения зависит от того, сколько времени проходит от одного отпирания транзистора до следующего, а значит, главным образом зависит от постоянной времени разрядной цепи, от сопротивления Rq и емкости С б. Чем они больше, тем медленнее идет процесс разряда, тем ниже частота.
5. Блокинг-генератор . Частоту его сигнала можно менять, изменяя Rl или С1. На основе этого генератора можно сделать простейший электромузыкальный инструмент или индикатор сопротивления. Так, например, если с помощью двух электродов включить вместо R1 некоторый объем воды, то звуковой тон будет меняться в зависимости от уровня воды или, например, ее солености. В качестве Tp 1 можно взять БТК (блокинг-трансформатор кадровый) от любого телевизора. Выходное сопротивление такого генератора велико, его нужно подключать к каскаду с большим входным сопротивлением.
Электрическая схема блокинг генератора на одном транзисторе с описанием принципа работы
для сборки своими руками. Транзистор может быть биполярным или полевым.
Изобрели блокинг в ту пору, когда еще не было микросхем, но схема вызывает интерес до сих пор.
Блокинг генератор — автогенератор с сильной трансформаторной положительной обратной связью, предназначенный для генерирования кратковременных импульсов с большим отношением периода к длительности импульса, т.е. с большой скважностью импульсов. Частота блокинг генератора может составлять от нескольких Герц до сотен КГц.
Схема блокинг-генератора и временные диаграммы работы показана на вкладке (кликабельно). Обмотка связи подключена к переходу эмиттер-база транзистора VT последовательно через конденсатор С. При включении питания схемы небольшое нарастание коллекторного тока через обмотку связи вызывает появление и рост базового тока. Этот процесс лавинообразный и приводит к переходу транзистора в состояние насыщения.
Этим же током конденсатор заряжается, тем самым уменьшая напряжение база-эмиттер. При достижении равенства напряжения зарядки конденсатора напряжению на обмотке связи ток базы и соответственно ток коллектора резко спадают до нуля.
В выходной обмотке формируется почти прямоугольный импульс напряжения.
Поскольку, с этого момента напряжение обратной связи почти нулевое, напряжение отрицательной полярности конденсатора С прикладывается к переходу база-эмиттер и переводит транзистор в состояние отсечки. Далее начинается процесс разряда конденсатора С экспоненциально через R от источника питания. При достижении напряжения открывания, начинается лавинообразный рост тока транзистора и формирование нового импульса, процесс становиться периодическим.
Транзистор может быть любым с достаточно высоким коэффициентом усиления. Трансформатор обычно наматывается на ферритовом кольце. Коллекторная обмотка содержит 30-50 витков провода. Обмотка связи 3-5 витков. Чем меньше размеры кольца и ниже планируемая частота генерации, тем больше требуется витков. Если используется полевой транзистор, обмотка связи содержит столько же витков сколько и возбуждающая обмотка, поскольку для управления ключевыми полевым транзистором требуется напряжение от 4 до 20 Вольт.
Транзистор генератора необходимо защитить от выбросов ОЭДС. Если транзистор полевой, достаточно поставить диод между затвором и плюсом источника питания. В таком варианте импульс на стоке будет срезаться на уровне напряжения ИП плюс падение на диоде (0,5 — 1 В). От перенапряжения на стоке полевые транзисторы обычно защищены встроенными диодами.
В простейшем случае можно обойтись без конденсатора. В таком варианте переключение блокинг генератора происходит при насыщении кольца. Упрощенная схема может быть использована при низковольтном питании и малых размерах кольца. КПД схемы достаточно низкий.
Частота блокинг генератора сильно зависит от питающего напряжения. В этой связи лучше использовать генераторы импульсов на микросхемах, тем более что не потребуется мотать обмотку связи. Блокинг имеет смысл использовать в случае когда напряжение источника питания не превышает нескольких вольт, например при питании от 1-3 батареек. Если использовать германиевый транзистор, возможна работы схемы при разрядке батареек до 0,5 В.
Защита генератора — Руководство по электрическому монтажу
На рисунке N2 ниже показаны параметры электрических параметров генераторной установки. Pn, Un и In — соответственно мощность теплового двигателя, номинальное напряжение и номинальный ток генератора.
Рис. N2 — Блок-схема генераторной установки
Защита от перегрузки
Кривая защиты генератора должна быть проанализирована (см. Рис. N3).
Стандарты и требования приложений также могут предусматривать особые условия перегрузки.Например:
| В / В | т |
|---|---|
| 1,1 | > 1 ч |
| 1,5 | 30 с |
Возможности настройки устройств защиты от перегрузки (или длительной задержки) будут точно соответствовать этим требованиям.
Примечание по перегрузкам
- По экономическим причинам тепловой двигатель запасного комплекта может быть рассчитан строго на его номинальную мощность.
При перегрузке по активной мощности дизельный двигатель заглохнет.Это необходимо учитывать при балансе активной мощности приоритетных нагрузок. - Производственный комплект должен выдерживать рабочие перегрузки:
- Перегрузка на один час
- Один час 10% перегрузка каждые 12 часов (основная мощность)
Рис. N3 — Пример кривой перегрузки t = f (I / In)
Защита от короткого замыкания
Включение тока короткого замыкания
Ток короткого замыкания складывается из:
- Апериодического тока
- Затухающего синусоидального тока
Уравнение тока короткого замыкания показывает, что оно состоит из трех последовательных фаз (см. рис. N4).
Рис. N4 — Уровень тока короткого замыкания в течение 3 фаз
Субпереходная фаза
Когда на клеммах генератора возникает короткое замыкание, в течение первого цикла (от 0 до 20 мс) сначала создается ток с относительно высоким значением от 6 до 12 In.
Амплитуда выходного тока короткого замыкания определяется тремя параметрами:
- Субпереходное реактивное сопротивление генератора
- Уровень возбуждения до момента неисправности и
- Полное сопротивление неисправной цепи.{»}} {100 \ S}}}
где
S = 3Un In {\ displaystyle S = {\ sqrt {3}} \, U_ {n} \ I_ {n}}
Переходная фаза
Переходная фаза устанавливается через 100–500 мсек после времени повреждения. Начиная со значения тока короткого замыкания в субпереходном периоде, ток падает до 1,5–2-кратного значения тока In.
Полное сопротивление короткого замыкания, которое следует учитывать в этот период, — это переходное реактивное сопротивление x’d, выраженное производителем в%. Типичное значение составляет от 20 до 30%.
Стационарная фаза
Устойчивое состояние наступает через 500 мс. Когда неисправность сохраняется, выходное напряжение падает, и регулировка возбудителя пытается поднять это выходное напряжение.
В результате получается стабилизированный устойчивый ток короткого замыкания:- Если возбуждение генератора не увеличивается во время короткого замыкания (нет перевозбуждения поля), но поддерживается на уровне, предшествующем повреждению, ток стабилизируется на значении, которое задается синхронным реактивным сопротивлением Xd генератора.Типичное значение xd больше 200%. Следовательно, конечный ток будет меньше тока полной нагрузки генератора, обычно около 0,5 In.
- Если генератор оборудован максимальным возбуждением поля (подавление поля) или составным возбуждением, «импульсное» напряжение возбуждения приведет к увеличению тока короткого замыкания в течение 10 секунд, обычно в 2–3 раза больше тока полной нагрузки генератора.
Расчет тока короткого замыкания
Производители обычно указывают значения импеданса и постоянные времени, необходимые для анализа работы в переходных или установившихся режимах (см. Рис. N5).
Рис.
N5 — Пример таблицы импеданса (в%)(кВА) 75 200 400 800 1,600 2 500 x ”d 10,5 10,4 12,9 10,5 18,8 19,1 x’d 21 15,6 19,4 18 33.8 30,2 xd 280 291 358 280 404 292 Сопротивления всегда незначительны по сравнению с реактивными сопротивлениями. Параметры для исследования тока короткого замыкания:
- Значение тока короткого замыкания на выводах генератора
Амплитуда тока короткого замыкания в переходных условиях согласно CLC / TR 50480 [1] составляет:
Isc3 = UnXd′⋅13 {\ displaystyle I_ {sc3} = {\ frac {U_ {n}} {X_ {d} ^ {‘}}} \ cdot {\ frac {1} {\ sqrt {3} }}} (Xd ′ {\ displaystyle X_ {d} ^ {‘}} в омах)
или
Isc3 = Inxd′⋅100 {\ displaystyle I_ {sc3} = {\ frac {I_ {n}} {x_ {d} ^ {‘}}} \ cdot 100} (xd ′ {\ displaystyle x_ {d} ^ {‘}} в%)
U n — линейное выходное напряжение генератора.

Примечание : Это значение можно сравнить с током короткого замыкания на клеммах трансформатора. Таким образом, при той же мощности токи в случае короткого замыкания вблизи генератора будут в 5-6 раз слабее, чем токи, которые могут возникнуть в трансформаторе (основном источнике).
Эта разница еще больше усиливается тем фактом, что мощность генераторной установки обычно меньше, чем у трансформатора (см. Рис. N6).
Рис. N6 — Пример распределительного щита приоритетных служб, питаемого (в аварийной ситуации) от резервной генераторной установки
Когда сеть низкого напряжения питается от основного источника 1 мощностью 2 000 кВА, ток короткого замыкания составляет 42 кА на шине главной платы низкого напряжения.Европейский технический отчет CLC / TR 50480 «Определение площади поперечного сечения проводов и выбор защитных устройств» предлагает этот тип расчета размеров и защиты кабеля в соответствии с IEC 60364-4-43.
Обратите внимание, что правильный метод должен быть выбран в соответствии с целью расчета: первая пиковая оценка электродинамической стойкости или включающей способности, среднеквадратичное значение первого периода для отключающей способности устройства защиты от перегрузки по току, установившийся ток для расчета минимального замыкания на землю.
… - A Генератор с акцентными красными цветами .
- У этого типа высокие прожекторы прикреплены с одной стороны.
Генератор типа обычно располагается снаружи или внутри помещений с высокими потолками. - Прожекторы случайным образом мигают и мигают, когда генератор не ремонтируется, и загораются после завершения ремонта.

- У этого типа высокие прожекторы прикреплены с одной стороны.
- A Генератор с акцентными желтыми цветами .
- К этому типу прикреплен небольшой прожектор, и он используется в местах, где нельзя устанавливать высокие прожекторы из-за ограниченной высоты потолка.
Этот генератор типа обычно располагается внутри помещений. - Маленький прожектор и расположенные рядом осветительные приборы мерцают и мигают, когда генератор не ремонтируется, и загораются после завершения ремонта.
- К этому типу прикреплен небольшой прожектор, и он используется в местах, где нельзя устанавливать высокие прожекторы из-за ограниченной высоты потолка.
- Дополнительная статья: Расчет времени ремонта
- Основная статья: Проверки навыков
- Генератор, теряющий прогрессию с течением времени, называется «регрессирующим» .
- Действие перевода генератора в регрессирующее состояние упоминается как «повреждение генератора» .
- Действие Генератора, немедленно теряющего прогресс, называется «потеря прогресса» .
- Действие по предотвращению любого взаимодействия с Генератором со стороны Убийцы или Выжившего называется «блокирование Генератора» .
- Заблокированный Генератор не может изменить свой прогресс.
- Возвращающийся генератор, который становится заблокированным, останется в регрессивном состоянии, но не потеряет никакого прогресса, пока он не станет разблокированным.

- Возвращающийся генератор, который становится заблокированным, останется в регрессивном состоянии, но не потеряет никакого прогресса, пока он не станет разблокированным.
- Регрессивный Генератор может потерять прогресс от других Разблокируемых предметов.
- Заставляет каждый Генератор извергать кровь во время направления Проекция снов и подавляет Шелуха .
- Кошмар не может отменить Проекция сна , однажды инициированная.
- При использовании Feral Frenzy прогрессия ремонта генераторов может определяться интенсивностью их аур.
- Зомби Скорость передвижения на 60 секунд всякий раз, когда Генератор завершен.
- Каждый раз, когда Генератор завершается, Чума автоматически получает Corrupt Purge .
- Уменьшает продолжительность действия для Corrupt Purge на -20 секунд .
- Призрак полностью раскроет после того, как сломает поддоны или повредит Генераторы, когда он замаскирован.
- Разрушение, повреждение, открытие и прыжок скорости действий при маскировке.
- Разрушение, повреждение, открытие и прыжок скорости действий при маскировке.
- Разрушение, повреждение, открытие и прыжок скорости действий при маскировке.
- В маскировке Ремонтная прогрессия генераторов может быть определена по интенсивности их аур .
- Когда последний Генератор завершен, ауры всех Выживших отображаются для 5 / 7 / 10 секунд .
- Израсходуйте 1 токен , чтобы увеличить дальность следующей атаки Выпад на 40 / 50 / 60 % .
- Когда Генератор выделяется в первый раз, Discordance запускает уведомление Громкий шум на Генераторе.
- После того, как Генератор больше не находится в пределах досягаемости или его ремонтирует всего 1 Выживший , выделенная аура задержится еще на 4 секунды .
- При активации любой Выживший, который прекращает ремонтировать Генератор до того, как он будет полностью отремонтирован, заставляет Сущность блокировать Генератор до тех пор, пока эффект выключателя мертвеца не закончится.
- Затронутые генераторы выделены белой аурой .
- Аура заблокированного Генератора раскрывается вам в белом в это время.
- Когда вы помещаете Выжившего в состояние Умирания, каждый затронутый Генератор взрывается и начинает регрессировать, удаляя выделенную ауру.
- Применяет немедленный 6% Штраф за прогресс.
- Любой Выживший, ремонтирующий Генератор при взрыве, закричит и пострадает от Выведен из строя Эффект статуса для 12 / 14 / 16 секунд .
- Получить штабелируемый 3 / 3,5 / 4 % Бонус к скорости действий при подборе и падении выживших, разрушении поддонов и разрушаемых стен, повреждении генераторов и прыжках в окна, максимум до 15 / 17,5 / 20 % .
- Если Выживший уже Исчерпал , его таймер Status Effect ‘ s будет приостановлен.
- Эффект состояния сохраняется для 3 / 4 / 5 секунд после остановки для ремонта.
- Каждый раз, когда выживший успешно проходит проверку навыков во время ремонта, Генератор будет проявляться в виде желтой ауры , пока он продолжает ремонтироваться.
- Запускает сложную проверку навыков, если выбранные генераторы в настоящее время ремонтируются.
- Следующий выживший, взаимодействующий с ним, столкнется с трудной проверкой навыков.
- Провал проверки навыков приводит к дополнительной потере прогресса в размере 3 / 4 / 5 % .
- Успешная проверка навыков не дает никакого дополнительного прогресса.
- Следующий Генератор, который вы повредите, мгновенно теряет 25% Прогресса. После этого применяется регрессия обычного генератора
- , и Pop Goes the Weasel деактивируется.
- Ваша аура раскрывается перед Obsession для 5 / 4 / 3 секунд .
- Все выжившие локации открываются вам на 3 секунды .
- Obsession страдает от постоянного Exposed Status Effect .
- Вам предоставляется возможность убить Obsession собственноручно.
- Применяет немедленный 8% Штраф за прогресс.
- Если процесс регрессии прерывается на генераторе, его аура будет выделена желтым для 8 / 12 / 16 секунд .
- Ауры заблокированных Генераторов выделены вам белым цветом .
- Аура этого Генератора раскрывается всем Выжившим в желтом .
- После ремонта генератора в течение не менее 3 секунды нажмите кнопку Ability , чтобы установить ловушку, которая остается активной в течение 35 / 40 / 45 секунд .
- Аура захваченных генераторов раскрывается в желтом всем Выжившим.
- Генератор может быть затронут только одним экземпляром Blast Mine за раз.
- Когда Убийца повреждает Захваченный Генератор, Ловушка взрывается, оглушая их и ослепляя всех, кто находится поблизости.
- Ауры 3 Генераторов в непосредственной близости друг от друга раскрываются вам на 30 / 45 / 60 секунд в начале Испытания и каждый раз, когда Генератор завершается.
- Если вы держите карту, Генераторы, обнаруженные Déjà Vu , автоматически добавляются к ней.
- Если вы держите карту, любые объекты, обнаруженные Detective’s Hunch , будут автоматически отслеживаться им.
- Вы потребляете все накопленные жетоны после Великой проверки навыков на генераторе.
- Каждый жетон дает суммируемый 1% бонус прогресса в дополнение к стандартному бонусу прогресса за успешную проверку Великого навыка.
- Этот эффект также применяется ко всем остальным Выжившим в пределах этого диапазона.
- Генератор остается выделенным до тех пор, пока он не будет полностью отремонтирован, вы не начнете ремонтировать другой генератор или не войдете в шкафчик.
- Вход в шкафчик вызовет уведомление Громкий шум для Убийцы в выделенном месте расположения Генератора.
- Нажмите кнопку активной способности , чтобы вызвать Сущность, чтобы заблокировать Генератор, который вы в настоящее время ремонтируете, на 30 секунд , после чего Репрессированный Альянс деактивируется.
- Аура заблокированного Генератора раскрывается всем Выжившим в white .
- После активации вам открываются ауры всех регрессирующих генераторов.
- Предотвращает взрыв генератора .
- Применяет штраф за регрессию по умолчанию.
- Применяет дополнительный штраф за регрессию в размере 5 / 4 / 3 % .
- Каждый раз, когда Генератор завершается, Visionary отключается на 20 / 18 / 16 секунд .
- Survivor Nerf: увеличена мощность генератора с 65 зарядов до 70 зарядов .
- Survivor Nerf: добавлен штраф эффективности к скорости ремонта, когда несколько выживших ремонтируют один и тот же генератор из -10% .
- QoL убийцы: Убийцы теперь могут взаимодействовать с генераторами и повреждать их, инициируя медленный процесс регрессии.
- Генератор может регрессировать максимум 25% через 70 секунд .
- Это равняется скорости регрессии -0,286 зарядов в секунду .
- Survivor Nerf: дополнительно увеличил мощность генератора с 70 зарядов до 80 зарядов .
- Killer Buff: снял ограничение регрессии.
- Генераторы теперь могут полностью вернуться к 0% .
- Killer QoL: уменьшено время взаимодействия Damage Generator с 3 секунды до 2 секунды .
- QoL выжившего: полоса прогресса ремонта теперь правильно использует красный цвет ослабления баффа при ремонте с несколькими выжившими, что влечет за собой штраф.
- Survivor Nerf: увеличил штраф эффективности к скорости ремонта, когда несколько выживших ремонтируют один и тот же генератор с -10% до -15% на каждого выжившего.
- Survivor Nerf: уменьшил бонус прогресса от успешных проверок навыков с +2% до +1% .
- Качество жизни: стандартизировал терминологию генератора, используемую в Unlockables и лежащих в основе механиках.
- Цвет индикатора выполнения индивидуален для каждой личной скорости ремонта выжившего.
- Это означает, что в случае, если два Выживших ремонтируют Генератор, но один делает это с Toolbox, Выживший из Toolbox будет иметь желтый индикатор выполнения, а тот, у которого нет — красный индикатор.
- Генераторы внутри более крупных зданий-памятников (или домов на Лэмпкин-лейн и дошкольных учреждениях Бэдхэма) обычно желтого цвета, а не красного, и к ним не прикреплены фонари, а вместо этого используются огни соответствующего здания.
- То же самое и с Генераторами, расположенными на нижнем этаже The Game.
- При включении генератора на пароходе на Pale Rose будет звучать его туманный рог, который можно услышать по всей карте.
- Включение генератора на заправочной станции на Gas Heaven откроет дверь гаража.
- Это открывает выжившим новый путь побега.
- Включение генератора в операционном зале лечебного театра откроет все жалюзи на верхнем этаже.
- Это открывает новые пути эвакуации для Выживших.
- Включение генератора внутри кладовой и гнилой хижины на мрачной кладовой откроет шлюзы снаружи соответствующего здания.
- Это обеспечивает более легкий и прямой доступ к нижним этажам.
- Каждый генератор в игре при включении открывает ближайшую дверь, создавая дополнительные маршруты.
- Включение Генератора в храме Храма Очищения откроет дверь, а также закроет ее.
- Что такое генераторы и как их использовать
- Как создать генератор функций и выражений
- Как работает оператор Python yield
- Как использовать несколько операторов yield Python в функции генератора
- Как использовать расширенные методы генератора
- Как построить конвейер данных с несколькими генераторами
Официальная Dead by Daylight Wiki
стр.
| Эти странные машины можно найти в этом заброшенном мире.Они кажутся какими-то генераторами, заправляющими свет. Сначала я не обращал на них внимания, но по прошествии нескольких дней я применил все свои инженерные навыки, чтобы исправить одну из них. Это привлекло одно из этих существ, которое преследует меня. Но я также заметил, что они как-то связаны с чем-то другим. | |||
| ~ Бенедикт Бейкер, Benedict Baker’s Journal |
| В своих исследованиях я обнаружил, что эти странные машины были ключом к моему выживанию.Чем больше света они производили, тем ближе я становился к своей свободе. | |||
| ~ Mysterious Note, Survivor Tutorial |
| Свет не пропускать! | |||
| ~ Голоса, Учебник убийцы |
Генераторы — это интерактивный реквизит и основные цели выживших в Dead by Daylight .
Обзор
На каждой карте есть несколько генераторов , расположенных в случайном порядке.
Испытательные земли появляются с 7 генераторами, 5 из которых необходимо отремонтировать, чтобы привести в действие Ворота выхода, позволяющие им сбежать из Испытания.
Модели генераторов
Файл: Generator red.jpgГенератор с красными вставками
Файл: Generator yellow.jpgГенератор с желтыми вставками
За исключением некоторых моделей, предназначенных только для особых мероприятий, Генераторы имеют 2 различных варианта :
Ремонт генераторов
Поскольку Генераторы имеют четыре стороны, до четырех Выживших могут ремонтировать их одновременно — при условии, что никакие другие Стойки не блокируют какую-либо из сторон.Чем больше выживших работают с одним и тем же генератором одновременно, тем быстрее он будет отремонтирован.
Если Выживший прекращает ремонтировать Генератор, его текущий прогресс будет сохранен.
Полный ремонт генератора без помощи набора инструментов, перков и других выживших занимает 80 секунд , при условии, что ни одна из проверок мастерства не прошла успешно и ни одна проверка навыков не прошла.
Время ремонта генератора можно сократить с помощью определенных перков или ремонта с помощью набора инструментов.После полного ремонта огни, прикрепленные к Генератору, активируются и освещают непосредственную область вокруг Генератора, это также предупреждает Убийцу, который получает слуховой и визуальный сигнал о местонахождении завершенного Генератора.
Убийцы могут схватить Выжившего из Генератора во время ремонта (также известного как прерывая ) и поднять его прямо на плечо.
Поиск генераторов
Генераторы являются частью стандартной способности убийцы читать ауру, что означает, что убийца будет видеть ауру любого не отремонтированного генератора , присутствующего на испытательном полигоне.
Выжившие не обладают этой способностью (за исключением ограниченного расстояния при использовании Perk Visionary) и должны найти неисправные Generators другими способами.
Генераторы с акцентными красными цветами легко найти, наблюдая за их мигающими и мерцающими прожекторами, которые возвышаются над окружающей местностью и опорами.
Если эти индикаторы горят постоянно, это означает, что генератор завершен и с ним больше нельзя взаимодействовать.
Генераторы с желтыми акцентными цветами труднее найти, поскольку их ограниченная высота потолка не позволяет устанавливать высокие прожекторы. Вместо этого эти Генераторы связаны с ближайшими осветительными приборами (то есть лампами в домах на Лэмпкин-лейн) или вывесками (то есть путевыми указателями в Лечебном театре) с тем же поведением, что и прожекторы.
Штраф за эффективность
Когда 2 или более Выживших ремонтируют один и тот же Генератор , Игра подвергается суммированию 15% Эффективность штрафа за восстановление Выжившего до их индивидуальной скорости ремонта.
Этот штраф за эффективность можно уменьшить, используя «Докажи себя».
| Ремонт выживших | Штраф за эффективность | Эффективность скорости индивидуального ремонта | Эффективность комбинированной скорости ремонта | Пора закончить Генератор |
|---|---|---|---|---|
| 1 Выживший | 0% | 100% = 1 цикл / с | 1 с / с (1 x 1 с / с) | 80 секунд |
| 2 выживших | -15% | 85% = 0.85 с / с | 1,7 с / с (2 x 0,85 с / с) | ~ 47,06 секунды |
| 3 Выжившие | -30% | 70% = 0,7 с / с | 2,1 с / с (3 x 0,7 с / с) | ~ 38,1 секунды |
| 4 выживших | -45% | 55% = 0,55 циклов / с | 2,2 с / с (4 x 0,55 с / с) | ~ 36,36 секунды |
Проверка квалификации
Как и все умелые взаимодействия, Ремонт генератора может вызвать проверку навыков в любой момент.
Если выживший успешно проходит Великую проверку навыков, прогресс ремонта получит бонус 1% . Если они не пройдут проверку навыков, Генератор взорвется и потеряет 10% максимального прогресса ремонта. Кроме того, в течение 3 секунды дальнейшее продвижение не регистрируется. Неудачный Выживший будет уклоняться от взрывающегося Генератора и закрывать лицо щитом. Неудачная проверка навыков также даст Убийце громкое уведомление с указанием местоположения Генератора.Остановка действия «Ремонт» в любой момент во время проверки навыков автоматически приведет к его сбою.
Повреждающие генераторы
Убийца может напрямую взаимодействовать с Генератором, подходя к любому Генератору с некоторым прогрессом, который еще не полностью отремонтирован, и повреждая его, заставляя его медленно терять прогресс.
Действие аналогично разрушению поддона и занимает 2 секунды .
Поврежденный Генератор начнет медленно регрессировать, пока либо Выживший не возобновит его ремонт, либо он полностью не выйдет из строя.
Генераторы регрессируют со скоростью по умолчанию 0,25 с / с , требуется максимум ~ 320 секунд для регрессии с 99,9 … до 0% .
Поврежденный генератор также будет постоянно излучать красновато-белые искры.
Терминология генератора
С патчем 4.3.0 разработчики стандартизировали терминологию, используемую в отношении различных состояний, в которых может находиться генератор:
Разблокируемые
Killer Дополнения
| Класс Фото | Большая фотография, сделанная в дошкольном учреждении Бадхэма, на которой изображен веселый класс ’94-95. | Демон снов | |
|---|---|---|---|
| Лента для дымящейся смеси | Мрачные биты, жестокие клочки и непостижимый вокал из другого мира наполняют разум вибрирующим шестым чувством. | Дикие безумие | |
Разрушенный S. T.A.R.S. Значок | Символ надежды для Раккун-Сити, полностью разрушенного. «S.T.A.R.S …» — Nemesis ‘ | Т-вирус | |
| Радужная печать | Полупрозрачная цилиндрическая печать, вылепленная из самого тумана, с изображением Чумы. Его поверхность теплая и пульсирует силой Сущности. | Мерзкая чистка | |
| «Змей» — Сажа | Символ Лаокайе, олицетворяющий хитрость, вырезан из копоти на теле Колокола. | Плачущий колокол | |
| «Танец теней» — Сажа | ДАННОЕ ДОПОЛНИТЕЛЬНОЕ ОБЕСПЕЧЕНИЕ НЕ ИСПОЛЬЗУЕТСЯ. Символ Иварика, олицетворяющий темную синергию, вырезан из сажи на теле Колокола. | ||
| «Танец теней» — белый | Символ Иварика, представляющий темную синергию, отпечатан белыми чернилами на корпусе Колокола. | ||
| «Танец теней» — Кровь | Символ Иварика, представляющий темную синергию, отпечатан кровью на теле Колокола. | ||
| «Всевидящее» — Дух | Символ Кра-Фрабай, представляющий Сущность, наблюдающую за нами, зловеще светится на голове Колокола. Раскрывает огромный потенциал способности Призрака читать ауру. | ||
Перки убийцы
| Горький шепот | Раскрывает потенциал вашей способности чтения ауры. Каждый раз, когда Генератор завершается, Ауры Выживших, которые находятся в пределах 16 метров от завершенного Генератора, будут открываться вам на 5 секунд . | |
|---|---|---|
| Жестокая сила | Ваша огромная сила позволяет вам прорваться сквозь защиту вашей жертвы. Разрушение поддонов и разрушаемых стен, а также повреждение генераторов на 10 / 15 / 20 % на быстрее. «Это больше, чем мускулы. Темная сила движет чудовищем». | |
| Коррумпированное вмешательство | Ваши молитвы призывают темную силу, которая ограничивает шансы Выживших на выживание. В начале Испытания 3 Генератора , расположенные дальше всего от вас, заблокированы Сущностью на 80 / 100 / 120 секунд . «По всей земле будет известно, что боги проклинают неверных.»(Скрижаль Адириса, 3.7) | |
| Coup de Grâce | Когда конец приближается, вы приступаете к убийству. Каждый раз, когда Генератор завершается, сила Coup de Grâce возрастает, и вы получаете 1 жетон . | |
| Несоответствие | Любой генератор в пределах диапазона 64 / 96 / 128 метра , который ремонтируют 2 или более выживших , отмечен желтой аурой . «Умников убивают. Мы всегда об этом заботимся». — Легион | |
| Переключатель мертвеца | Вы становитесь одержимым с одним Выжившим. После подключения Obsession , Dead Man’s Switch активируется для следующих 35 / 40 / 45 секунд . Вы можете быть одержимы только с одним Выжившим одновременно. «Я видел выражение лица мужчины, когда он понимает, что умрет». — Калеб Куинн, | |
| Тупик | Вы вызываете душевные страдания, разрушая любую надежду на побег. Каждый раз, когда Генератор завершается, Сущность блокирует Генератор с наибольшим прогрессом на 20 / 25 / 30 секунд . «Никто не убегает от нас». — Пинхед | |
| Драконья хватка | После удара по генератору в течение следующих 30 секунд первый выживший, взаимодействующий с ним, будет кричать, показывая свое местоположение на 4 секунды , и страдает от Exposed Эффект статуса на 60 секунд . Dragon’s Grip имеет время восстановления 120 / 100 / 80 секунд . «Такой потенциал в этом соединении … даже малейший след вызывает неестественные эффекты». — Журнал Талбота Граймса | |
| Извержение | Паразит NE-α дает вам разум и осведомленность, необходимые для установки ловушки. После удара по генератору его аура будет выделена желтым цветом . Извержение имеет время охлаждения 30 секунд . «Он может использовать оружие?» — Джилл Валентайн | |
| Fire Up | Повышенное давление потери жертвы наполняет вас гневом и дает неожиданную мотивацию. Каждый раз, когда генератор завершен, мощность Fire Up увеличивается. «А почему бы тебе, блять, просто не умереть?» — Фредди Крюгер | |
| Hex: Руины | Гексагон, влияющий на прогресс ремонта генераторов выживших. Все генераторы автоматически регрессируют на 100 / 150 / 200 % от нормальной скорости регрессии всякий раз, когда они не ремонтируются. Эффекты Hex сохраняются, пока существует соответствующий Hex Totem. «Проклятие на вас. Оно приведет к вашей гибели». | |
| Mindbreaker | ЭТА ПЕРК БЫЛА УДАЛЕНА. Ваше тревожное присутствие истощает и ослабляет вашу добычу. Каждый раз, когда Выживший ремонтирует Генератор, он получает Исчерпаны Эффект статуса . «Очевидные телепатические способности особи могут вызывать чувство страха и усталости у находящихся поблизости людей.»- Национальная лаборатория Хокинса, | |
| Редуктор | У вас есть ухо для хорошо смазанных шестерен. После двойного удара по Выжившему с помощью базовой атаки , Gearhead активируется на 20 / 25 / 30 секунд . «Иногда лучшая работа человека — это то, что бросает его в могилу». — Тюремный надзиратель | |
| Угнетение | Жизнь была трудной для вас, поэтому вы усложните ее другим. При повреждении генератора до 3 других случайных генератора также начинают регрессировать. Угнетение имеет время охлаждения 120 / 100 / 80 секунд . «Будь они прокляты, как они нас проклянут». — Шарлотта Дешайес, | |
| Перегрузка | Вы питаетесь ненавистью к прогрессу. Повреждение генератора приводит к его перезарядке: «Это ловушка. Но ловушка, в которую надо шагнуть …» | |
| Поп идет ласка | Глубокая связь с Сущностью открывает огромную силу. После подключения выжившего, Pop Goes the Weasel активируется для следующих 35 / 40 / 45 секунд : | |
| Злоба | Вы становитесь одержимым с одним Выжившим. Каждый раз, когда Генератор завершается: Когда все генераторы будут завершены: Вы можете быть одержимы только с одним Выжившим одновременно. | |
| Скачок | ЭТА ПЕРК БЫЛА УДАЛЕНА. Ваше жуткое присутствие заряжает воздух и мешает работе техники. Когда вы переводите выжившего в состояние смерти с помощью базовой атаки , все генераторы в пределах 32 метра от вас мгновенно взрываются и начинают регрессировать. Surge имеет время охлаждения 60 / 50 / 40 секунд . «Похоже, существо неизвестно влияет на электричество и находящуюся поблизости электронику.»- Национальная лаборатория Хокинса, | |
| Наблюдение | Раскрывает потенциал вашей способности чтения ауры. Ауры регрессирующих генераторов выделены белым цветом . Наблюдение увеличивает слышимость шумов, производимых выжившими при ремонте генератора, на 8 метров . «Ты будешь вести себя хорошо?» — Аманда Янг, | |
| Тинкерер | Каждый раз, когда генератор ремонтируется до 70% , он запускает уведомление Громкий шум , и вам предоставляется Необнаруживаемый Эффект состояния на следующие 12 / 14 / 16 . | |
| Захватывающие толчки | Твои мрачные замыслы и проницательное самообладание пробуждают Сущность. После подбора Выжившего все Генераторы, которые в настоящее время не ремонтируют Выжившие, блокируются Сущностью на следующие 16 секунд . Thrilling Tremors имеет время охлаждения 100 / 80 / 60 секунд . «Ночь мне помогает, и здесь бесконечно». — Призрачное лицо | |
| След мучений | Вы ведете своих жертв по пути боли и наказания. После удара по генератору вы получаете Undetectable Status Effect до тех пор, пока генератор не перестанет регрессировать или вы не повредите выжившего любым способом. Trail of Torment имеет время охлаждения 80 / 70 / 60 секунд . |
Дополнения Survivor
Перки выжившего
| Взрывная мина | Когда прямой бой невозможен, вы все равно находите способы нанести ответный удар. После ремонта генераторов всего 66% , Blast Mine активирует: Blast Mine деактивируется после успешного срабатывания. «Вы хотите S.T.A.R.S.? Я дам вам S.T.A.R.S.!» — Джилл Валентайн | |
|---|---|---|
| Вместе лучше | ЭТА ПЕРК БЫЛА УДАЛЕНА. Вы ищете справедливости и раскрываете правду, какие бы препятствия ни стояли на вашем пути. Во время ремонта Генератора его аура отображается желтым цветом всем остальным Выжившим, находящимся в пределах 32 метра . Если Убийца убивает Выжившего, пока вы ремонтируете Генератор, вы видите ауры всех остальных Выживших для 8 / 9 / 10 секунд . «Давайте сожжем эту лабораторию дотла». — Нэнси Уиллер, | |
| Dark Sense | Раскрывает потенциал вашей способности чтения ауры. Каждый раз, когда Генератор завершается, Аура Убийцы открывается вам на 5 секунд и на 5 / 7 / 10 секунд , когда завершится последний Генератор. «Возьмите это у старика: не торопитесь, не торопитесь и старайтесь не волноваться так сильно! Лучший способ победить его — это знать, как он думает». — Мерф, Потерянные ленты | |
| Дежавю | Раскрывает потенциал вашей способности чтения ауры. Паранойя в сочетании с ужасом неудачи помогает подготовить вас к повторению тех же ошибок. | |
| Предчувствие детектива | Раскрывает потенциал вашей способности чтения ауры. Каждый раз, когда Генератор завершается, вам открываются ауры любых Генераторов, Сундуков и Тотемов в пределах 32 / 48 / 64 метров на 10 секунд . «Вы можете сказать нам, где вы были прошлой ночью?» — Детектив Дэвид Тэпп | |
| Fast Track | Иногда необходима жертва других, чтобы продвинуться вперед. Каждый раз, когда подключается другой выживший, Fast Track получает 1 / 2 / 3 токенов , максимум 9 / 18 / 27 токенов . «В первую очередь приносятся в жертву слабые. Это природа, это бизнес … это правда, с которой большинство не хотят сталкиваться». — Юн-Джин Ли | |
| Световая граната | Вы приспособились к миру хаоса и делаете все, что можете, из обломков. После ремонта Генераторов всего 70 / 60 / 50 % , Flashbang активирует: Flash Grenade остается позади при побеге из Испытания. «Убирайся с моего лица!» — Леон Скотт Кеннеди | |
| Уравновешенный | Достижение целей повышает вашу уверенность. После того, как Генератор будет завершен, вы не оставите царапин в течение следующих 6 / 8 / 10 секунд . «Хорошо, сохраняй спокойствие. Не зацикливайся на этом и просто продолжай двигаться вперед: ты понял». — Джейн Ромеро | |
| Испытай себя | Получите суммируемый 15% бонус скорости ремонта за каждого Выжившего в пределах 4 метра от вас, максимум 45% . Докажи себя грантов 50 / 75 / 100 % бонусных очков крови за совместные действия. Докажи себя не складывается с другими экземплярами самого себя. «Покажи мне, на что ты способен!» — Дуайт Фэрфилд, | |
| Красная сельдь | Вы заметили, что люди обращают внимание на то, что производит самый громкий шум. После ремонта генератора в течение не менее 3 секунды , его аура будет выделена для вас желтым цветом . Red Herring имеет время охлаждения 60 / 50 / 40 секунд . «В новостях вычеркивают обременительное и сложное, что является правдой». — Зарина Кассир, | |
| Репрессированный альянс | Вы привыкли, что на вас охотятся злые силы, и вы начали использовать это в своих интересах. После ремонта генераторов всего 55 / 50 / 45 секунд , Repressed Alliance активирует: | |
| Дух новичка | Вы внимательно следите за объектами, когда они ускользают. Во время ремонта генераторов выполните 5 / 4 / 3 Проверки хороших или отличных навыков, чтобы активировать Rookie Spirit до конца испытания: «Я остановлю это, лейтенант. Обещаю». — Леон Скотт Кеннеди | |
| Техник | Вы умеете обращаться с техникой с максимальной осторожностью и точностью. Провал проверки навыков при ремонте: Technician уменьшает слышимый диапазон шумов, возникающих при ремонте генератора, на 8 метров . «Я собираюсь скрыть это». — Фэн Минь | |
| Visionary | Вы очень сосредоточены на способах побега. Ауры Генераторов открываются вам в пределах 32 метра . |
Специальные генераторы
Лунные генераторы
Лунный генератор — особая модель генератора, которая использовалась во время события «Воющие земли».
За каждый сгоревший красный конверт на карте появляется Лунный генератор .
Ремонт Генератора предоставит всем Выжившим золотых монет , 80 из которых разблокируют опцию настройки Untamed Donkey Jacket для Дэвида Кинга.
Аппарат для замороженных коктейлей
Аппарат для замороженных коктейлей — это особая модель генератора, которая была представлена во время барбекю-мероприятия «Палящее лето».
По умолчанию 2 и для каждого сгоревшего Приглашения на барбекю на карте будет появляться Frozen Cocktail Machine .
Ремонт Генератора предоставит всем Выжившим Frozen Cocktail , 90 из которых откроют для Кейт Денсон вариант настройки Free Song Bird Slip Dress .
Зараженные генераторы
Зараженный генератор (ранее — Cankerous Generator) — это особая модель генератора, представленная во время ежегодных [Хеллоуинских событий]].
По умолчанию 1 и для каждых сгоревших лепестков пустулы на карте появится зараженный генератор .
Ремонт Генератора даст всем Выжившим, которые сожгли лепестков пустулы, дополнительных очка крови.
Поскольку в Custom Games нет необходимости иметь четырех Выживших на Испытание, количество Генераторов, появляющихся по всей карте, скорректировано так, чтобы на больше на , чем количество Выживших, начинающих Испытание.
Кроме того, для каждого Выжившего меньше четырех по умолчанию, Игра удалит один Генератор из необходимого количества для питания Врат Выхода.
| Начало испытаний | Генераторы на карте | Генераторы в ремонте |
|---|---|---|
| 4 выживших | 7 Генераторы | 5 Генераторы |
| 3 Выжившие | 6 Генераторы | 4 Генератора |
| 2 выживших | 5 Генераторы | 3 Генераторы |
| 1 Выживший | 4 генератора | 2 генератора |
История
Старый штраф за эффективность
до обновления 3.7.0, Игра применила суммируемый штраф за эффективность 10% к ремонтам, проведенным несколькими Выжившими:
| Ремонт выживших | Индивидуальный КПД | Комбинированный КПД | Время ремонтировать генератор |
|---|---|---|---|
| 1 Выживший | 1,0 с / с | 100% | 1.0 с / с | 80 секунд |
| 2 выживших | 0,9 с / с | 90% | 1.8 циклов / с | ~ 44,44 секунды |
| 3 Выжившие | 0,8 с / с | 80% | 2,4 с / с | ~ 33,33 секунды |
| 4 выживших | 0,7 к / с | 70% | 2,8 циклов / с | ~ 28,57 секунд |
История изменений
Неизвестный патч
Патч 1.4.0
Патч 1.5.0
Патч 1.8.0a
Патч 2.5.0
Патч 3.7.0
Патч 4.2.0
Патч 4.3.0
Общая информация
Интерактивные генераторы
Видео
Галерея
TL; DR
| TL; DR Генераторы Использование: Электропитание выходных ворот для побега с испытательного полигона |
Калькулятор размеров электрического кабеля — Atlas Copco USA
Рассчитайте правильный размер кабеля для подключения генератора или электрического компрессора к приложению.
Выбор неправильного электрического кабеля может иметь серьезные последствия: от неожиданного простоя до критических ситуаций. Хотите знать, какой размер кабеля вам нужен? Щелкните ссылку ниже, чтобы получить доступ к калькулятору и узнать, какой кабель лучше всего подходит для подключения вашего генератора или компрессора к вашему приложению.
Предварительный просмотр калькулятора сечения кабеля
Просмотрите все доступные калькуляторы
Калькулятор времени герметизации
31 марта 2021 г.
английский Воздух
Испытания под давлением имеют решающее значение во многих процессах, будь то перед вводом в эксплуатацию или после технического обслуживания или капитального ремонта.Расчет необходимого расхода воздуха и продолжительности процесса наддува; поможет вам выбрать оборудование для аренды на ж …
Калькулятор размеров электрического кабеля
30 марта 2021 г.
Власть английский
Выбор неправильного электрического кабеля может иметь серьезные последствия: от неожиданного простоя до критических ситуаций.Хотите знать, какой размер кабеля вам нужен? Щелкните ссылку ниже, чтобы получить доступ к калькулятору и узнать, какой кабель лучше всего подходит для подключения вашего …
{{title}}
{{date}}
{{tags}}
{{intro}}
Подробнее
Определение размеров генераторной установки| MacAllister Power Systems
Падение напряжения генераторной установки, сравнение яблок с яблоками
Сегодня провал напряжения вызывает много споров.Две области разногласий связаны с тем, как лучше всего определить это и что считать допустимыми уровнями провалов напряжения в соответствии с передовой инженерной практикой.
При любом процессе спецификации важно принимать решения на основе справедливых сравнений. Наши клиенты говорят нам, что падение напряжения — это одна из областей, в которой трудно провести сравнение яблок с яблоками.
Определение
Провал напряжения определяется NEMA MG1-16.48 как максимальное отклонение напряжения от номинального выходного напряжения генератора.Эти провалы вызваны пусковыми токами при запуске двигателя или большими нагрузками на блок, которые снижают скорость двигателя и снижают возбуждение основного поля.
Поскольку причина и средство устранения мгновенных провалов напряжения отличаются от тех, которые связаны с блочными нагрузками, они измеряются и анализируются отдельно.
Максимальный провал из-за пускового тока двигателя происходит в течение пяти циклов и может быть измерен только с помощью осциллографа из-за его мгновенного характера. Провал из-за сильных нагрузок на блоки, при которых низкая частота вращения двигателя может быть измерена с помощью механических самописцев.
Тридцатипроцентное мгновенное падение напряжения считается стандартом для большинства производителей генераторов, в зависимости от того, какое оборудование уже подключено. Коммерчески приемлемое время восстановления обычно составляет две или три секунды или максимум 15 секунд, в зависимости от нагрузки.
Длительная путаница при падении
Трудно сравнивать некоторые марки генераторов, потому что падение напряжения по-разному определяется в документации компании. Вместо мгновенного провала напряжения предлагается устойчивый провал напряжения, который оценивает провал по более низкой, но более длинной кривой восстановления.
Разумное сравнение провалов пускового напряжения двигателя может быть получено путем сравнения субпереходных реактивных сопротивлений двух генераторов с равным временем отклика АРН. Две машины с одинаковыми субпереходными реактивными сопротивлениями будут иметь примерно одинаковый провал напряжения при запуске одного и того же двигателя.
Следовательно, поставщики, использующие устойчивый провал напряжения в качестве меры провала напряжения, будут предлагать только однозначный ответ «да» или «нет» относительно того, действительно ли их генераторная установка соответствует стандартам мгновенного провала напряжения, указанным другими производителями.
Наша рекомендация
Мы настоятельно рекомендуем инженерам запрашивать значения мгновенного провала напряжения в спецификациях, а затем придерживаться их.
Это единственный способ убедиться, что вы получите сопоставимые заявки на указанные вами проекты.
Общие сведения о переходных процессах генераторной установки
Когда коммутатор выдает по цепи несколько сотен кВт, не нужно беспокоиться о способности местной электросети принять нагрузку или о каких-либо переходных процессах на качество электроэнергии.Однако это серьезное беспокойство, когда питание поступает от генераторной установки. Как величина нагрузки, которую можно принять на одном этапе, так и степень временного воздействия на качество электроэнергии значительно варьируются от одной модели генераторной установки к другой.
Каждый раз, когда к генераторной установке добавляется большая нагрузка, скорость двигателя временно замедляется — или падает — прежде чем вернуться к своему установившемуся состоянию. Когда нагрузка снимается, частота вращения двигателя увеличивается или временно выходит за пределы допустимого диапазона. Поскольку частота генератора определяется оборотами двигателя, это влияет на качество электроэнергии.Измерения этих временных изменений скорости называются переходными характеристиками.
Переходная характеристика измеряется процентным изменением частоты и продолжительности (см. Рисунок ниже). Время, необходимое двигателю для возврата к установившемуся режиму работы, называется временем восстановления. Это может варьироваться от 1 секунды до 20 секунд. В общем, чем больше нагрузка на автобус, тем больше процент провала и тем больше времени потребуется двигателю для восстановления.
Провалы обычно более критичны, чем выбросы, потому что сильная нагрузка на блок может заглохнуть двигатель и вызвать падение напряжения генератора.
Вращающаяся масса генераторной установки помогает поддерживать частоту, но инерция должна быть точно сбалансирована между генератором и двигателем. Это важный фактор при выборе генератора завышенного размера, потому что провал частоты уменьшается и позволяет увеличить мощность двигателя для восстановления.
Из всех факторов, влияющих на переходные характеристики, наиболее важную роль играет система регулирования напряжения генераторной установки. Системы регулирования напряжения вольта на герц регулируют напряжение пропорционально следующей частоте.Так как большая нагрузка на блок снижает частоту вращения двигателя и частоту генератора, уменьшается и напряжение, что эффективно разгружает двигатель и сокращает время восстановления. Все наборы Cat gen используют эту систему.
Системы стабилизации постоянного напряжения предлагают меньший процент изменения напряжения, но время восстановления значительно больше. Если к двигателю приложена полная нагрузка, существует больший риск его остановки.
В некоторых генераторах используются системы регулирования удвоения вольт на герц. Хотя эти системы значительно увеличивают нагрузочную способность блоков или сокращают время восстановления, они делают это за счет гораздо большего провала напряжения.
Конфигурация двигателя также влияет на переходные характеристики. Большинство двигателей генераторных установок имеют турбонаддув, чтобы дать вам больше лошадиных сил — и киловатт — без использования более мощного двигателя. Но недостаток турбонаддува — временный отклик. В ситуациях с переноской воздух становится ограничивающим фактором. Чем сильнее двигатель с турбонаддувом, тем дольше его переходный отклик.
Позвоните нам, если вам понадобятся данные временного ответа. Мы поможем вам выбрать лучший генератор для вашего приложения.
Как использовать генераторы и yield в Python — Real Python
Смотреть сейчас В этом руководстве есть связанный видеокурс, созданный командой Real Python. Посмотрите его вместе с письменным руководством, чтобы углубить свое понимание: Генераторы Python 101
Приходилось ли вам когда-нибудь работать с набором данных настолько большим, что он перегружал память вашей машины? Или, может быть, у вас есть сложная функция, которая должна поддерживать внутреннее состояние каждый раз, когда она вызывается, но функция слишком мала, чтобы оправдать создание собственного класса.В этих и других случаях вам помогут генераторы и оператор yield.
К концу этой статьи вы будете знать:
Если вы начинающий или средний Pythonista и хотите научиться работать с большими наборами данных в стиле Python, то это руководство для вас.
Вы можете получить копию набора данных, использованного в этом руководстве, щелкнув ссылку ниже:
Использование генераторов
Представленные с PEP 255, функции генератора — это особый вид функций, которые возвращают ленивый итератор. Это объекты, которые можно перебирать как список. Однако, в отличие от списков, ленивые итераторы не хранят свое содержимое в памяти. Для обзора итераторов в Python взгляните на Python «for» Loops (Definite Iteration).
Теперь, когда у вас есть приблизительное представление о том, что делает генератор, вы можете задаться вопросом, как они выглядят в действии.Давайте посмотрим на два примера. В первом вы увидите, как работают генераторы, с высоты птичьего полета. Затем вы увеличите масштаб и рассмотрите каждый пример более тщательно.
Пример 1: Чтение больших файлов
Обычный вариант использования генераторов — это работа с потоками данных или большими файлами, такими как файлы CSV. Эти текстовые файлы разделяют данные на столбцы с помощью запятых. Этот формат — распространенный способ обмена данными. А что, если вы хотите подсчитать количество строк в файле CSV? В приведенном ниже блоке кода показан один из способов подсчета этих строк:
csv_gen = csv_reader ("some_csv.текст")
row_count = 0
для строки в csv_gen:
row_count + = 1
print (f "Количество строк: {row_count}")
Глядя на этот пример, можно было ожидать, что csv_gen будет списком. Чтобы заполнить этот список, csv_reader () открывает файл и загружает его содержимое в csv_gen . Затем программа выполняет итерацию по списку и увеличивает row_count для каждой строки.
Это разумное объяснение, но будет ли эта конструкция работать, если файл очень большой? Что делать, если размер файла превышает доступную вам память? Чтобы ответить на этот вопрос, предположим, что csv_reader () просто открывает файл и считывает его в массив:
def csv_reader (имя_файла):
file = open (имя_файла)
результат = файл.read (). split ("\ n")
вернуть результат
Эта функция открывает указанный файл и использует file.read () вместе с .split () , чтобы добавить каждую строку как отдельный элемент в список. Если бы вы использовали эту версию csv_reader () в блоке кода подсчета строк, который вы видели выше, то получили бы следующий результат:
Traceback (последний звонок последний):
Файл "ex1_naive.py", строка 22, в
главный()
Файл "ex1_naive.py ", строка 13, в основном
csv_gen = csv_reader ("файл.txt")
Файл ex1_naive.py, строка 6, в csv_reader
result = file.read (). split ("\ n")
MemoryError
В этом случае open () возвращает объект-генератор, который можно лениво перебирать строка за строкой. Однако file.read (). Split () загружает все сразу в память, вызывая MemoryError .
Прежде чем это произойдет, вы, вероятно, заметите, что ваш компьютер медленно сканирует. Возможно, вам даже придется убить программу с помощью KeyboardInterrupt .Итак, как вы можете обрабатывать эти огромные файлы данных? Взгляните на новое определение csv_reader () :
def csv_reader (имя_файла):
для открытой строки (имя_файла, "r"):
ряд доходности
В этой версии вы открываете файл, выполняете итерацию по нему и получаете строку. Этот код должен выдать следующий результат без ошибок памяти:
Что здесь происходит? Итак, вы фактически превратили csv_reader () в функцию генератора.Эта версия открывает файл, просматривает каждую строку и возвращает каждую строку вместо того, чтобы возвращать ее.
Также можно определить выражение генератора (также называемое пониманием генератора ), которое имеет синтаксис, очень похожий на синтаксис составления списка. Таким образом, вы можете использовать генератор без вызова функции:
csv_gen = (строка за строкой в открытом (имя_файла))
Это более лаконичный способ создания списка csv_gen .Скоро вы узнаете больше об операторе доходности Python. А пока просто запомните это ключевое отличие:
- Использование
yieldприведет к созданию объекта-генератора. - Использование
returnприведет к тому, что в первой строке файла будет только .
Пример 2: Создание бесконечной последовательности
Давайте переключимся и посмотрим на создание бесконечной последовательности. В Python, чтобы получить конечную последовательность, вы вызываете range () и оцениваете его в контексте списка:
>>> a = диапазон (5)
>>> список (а)
[0, 1, 2, 3, 4]
Однако создание бесконечной последовательности потребует использования генератора, поскольку память вашего компьютера ограничена:
определение infinite_sequence ():
число = 0
в то время как True:
количество урожая
число + = 1
Этот блок кода короткий и приятный.Сначала вы инициализируете переменную num и запускаете бесконечный цикл. Затем вы сразу же получаете число , чтобы можно было зафиксировать начальное состояние. Это имитирует действие диапазона () .
После получается , вы увеличиваете число на 1. Если вы попробуете это с циклом для , то увидите, что оно действительно кажется бесконечным:
>>> для i в infinite_sequence ():
... print (i, end = "")
...
0 1 2 3 4 5 6 7 8 9 10 11 12 13 14 15 16 17 18 19 20 21 22 23 24 25 26 27 28 29
30 31 32 33 34 35 36 37 38 39 40 41 42
[...]
6157818 6157819 6157820 6157821 6157822 6157823 6157824 6157825 6157826 6157827
6157828 6157829 6157830 6157831 6157832 6157833 6157834 6157835 6157836 6157837
6157838 6157839 6157840 6157841 6157842
KeyboardInterrupt
Отслеживание (последний вызов последний):
Файл "", строка 2, в
Программа будет продолжать выполняться, пока вы не остановите ее вручную.
Вместо использования цикла для можно также вызвать next () непосредственно на объекте-генераторе. Это особенно полезно для тестирования генератора в консоли:
>>> gen = infinite_sequence ()
>>> следующий (генерал)
0
>>> следующий (генерал)
1
>>> следующий (генерал)
2
>>> следующий (генерал)
3
Здесь у вас есть генератор с именем gen , который вы вручную перебираете, многократно вызывая next () .Это работает как отличная проверка работоспособности, чтобы убедиться, что ваши генераторы производят ожидаемый результат.
Примечание: Когда вы используете next () , Python вызывает .__ next __ () для функции, которую вы передаете в качестве параметра. Эта параметризация позволяет использовать некоторые специальные эффекты, но они выходят за рамки данной статьи. Поэкспериментируйте с изменением параметра, который вы передаете на next () , и посмотрите, что произойдет!
Пример 3: Обнаружение палиндромов
Вы можете использовать бесконечные последовательности разными способами, но одно из практических применений для них — создание детекторов палиндромов.Детектор палиндрома найдет все последовательности букв или цифр, которые являются палиндромами. Это слова или числа, которые читаются одинаково вперед и назад, например, 121. Сначала определите свой числовой детектор палиндрома:
def is_palindrome (число):
# Пропустить ввод однозначных чисел
если число // 10 == 0:
вернуть ложь
temp = число
reversed_num = 0
в то время как temp! = 0:
reversed_num = (reversed_num * 10) + (темп% 10)
темп = темп // 10
если num == reversed_num:
вернуть номер
еще:
вернуть ложь
Не беспокойтесь о понимании математики, лежащей в основе этого кода.Просто обратите внимание, что функция принимает номер ввода, меняет его и проверяет, совпадает ли перевернутое число с исходным. Теперь вы можете использовать свой генератор бесконечной последовательности, чтобы получить текущий список всех числовых палиндромов:
>>> >>> для i в infinite_sequence ():
... приятель = is_palindrome (i)
... если приятель:
... печать (я)
...
11
22
33
[...]
99799
99899
99999
100001
101101
102201
KeyboardInterrupt
Отслеживание (последний вызов последний):
Файл "", строка 2, в
Файл "", строка 5, в is_palindrome
В этом случае на консоли печатаются только те числа, которые совпадают в прямом или обратном направлении.
Примечание: На практике вы вряд ли напишете свой собственный генератор бесконечной последовательности. Модуль itertools предоставляет очень эффективный генератор бесконечной последовательности с itertools.count () .
Теперь, когда вы увидели простой вариант использования генератора бесконечной последовательности, давайте глубже погрузимся в то, как работают генераторы.
Общие сведения о генераторах
До сих пор вы узнали о двух основных способах создания генераторов: с помощью функций генератора и выражений генератора.У вас может быть даже интуитивное понимание того, как работают генераторы. Давайте сделаем это знание более явным.
Функции генератора выглядят и действуют так же, как обычные функции, но с одной определяющей характеристикой. Функции генератора используют ключевое слово Python yield вместо return . Вспомните функцию генератора, которую вы написали ранее:
определение infinite_sequence ():
число = 0
в то время как True:
количество урожая
число + = 1
Это похоже на типичное определение функции, за исключением оператора yield Python и следующего за ним кода. yield указывает, куда возвращается значение вызывающей стороне, но, в отличие от return , вы не выходите из функции после этого.
Вместо этого запоминается состояние функции. Таким образом, когда next () вызывается для объекта-генератора (явно или неявно в цикле for ), ранее полученная переменная num увеличивается, а затем возвращается снова. Поскольку функции генератора выглядят так же, как другие функции и действуют очень похоже на них, вы можете предположить, что выражения генератора очень похожи на другие понимания, доступные в Python.
Строительные генераторы с выражениями генератора
Подобно спискам, выражения-генераторы позволяют быстро создать объект-генератор всего в нескольких строках кода. Они также полезны в тех же случаях, когда используются составления списков, с дополнительным преимуществом: вы можете создавать их, не создавая и не удерживая весь объект в памяти перед итерацией. Другими словами, вы не будете терять память при использовании выражений-генераторов. Возьмем этот пример возведения в квадрат некоторых чисел:
>>> >>> nums_squared_lc = [число ** 2 для числа в диапазоне (5)]
>>> nums_squared_gc = (число ** 2 для числа в диапазоне (5))
И nums_squared_lc , и nums_squared_gc выглядят в основном одинаково, но есть одно ключевое отличие.Вы можете это заметить? Посмотрите, что происходит, когда вы осматриваете каждый из этих объектов:
>>> nums_squared_lc
[0, 1, 4, 9, 16]
>>> nums_squared_gc
<объект-генератор в 0x107fbbc78>
Первый объект использовал скобки для построения списка, а второй создал выражение генератора с использованием круглых скобок. Вывод подтверждает, что вы создали объект-генератор и что он отличается от списка.
Производительность генератора профилей
Ранее вы узнали, что генераторы — отличный способ оптимизировать память.Хотя генератор бесконечной последовательности является крайним примером этой оптимизации, давайте усилим примеры возведения чисел в квадрат, которые вы только что видели, и проверим размер результирующих объектов. Вы можете сделать это, позвонив по номеру sys.getsizeof () :
>>> import sys
>>> nums_squared_lc = [i * 2 для i в диапазоне (10000)]
>>> sys.getsizeof (nums_squared_lc)
87624
>>> nums_squared_gc = (i ** 2 для i в диапазоне (10000))
>>> печать (sys.getsizeof (nums_squared_gc))
120
В этом случае список, который вы получаете из понимания списка, составляет 87 624 байта, а объект генератора — только 120.Это означает, что список более чем в 700 раз больше, чем объект-генератор!
Но нужно помнить об одном. Если список меньше, чем доступная память работающей машины, то понимание списков может быть вычислено быстрее, чем эквивалентное выражение генератора. Чтобы разобраться в этом, давайте суммируем результаты двух представленных выше понятий. Вы можете сгенерировать показания с помощью cProfile.run () :
>>> import cProfile
>>> cProfile.run ('sum ([i * 2 for i in range (10000)])')
5 вызовов функций за 0,001 секунды
Упорядочено по: стандартному названию
ncalls tottime percall cumtime percall имя файла: белье (функция)
1 0,001 0,001 0,001 0,001 <строка>: 1 ()
1 0,000 0,000 0,001 0,001 <строка>: 1 (<модуль>)
1 0,000 0,000 0,001 0,001 {встроенный метод builtins.exec}
1 0.000 0.000 0.000 0.000 {встроенный метод builtins.sum}
1 0.000 0.000 0.000 0.000 {метод 'disable' объектов '_lsprof.Profiler'}
>>> cProfile.run ('sum ((i * 2 for i in range (10000)))')
10005 вызовов функций за 0,003 секунды
Упорядочено по: стандартному названию
ncalls tottime percall cumtime percall имя файла: белье (функция)
10001 0,002 0,000 0,002 0,000 <строка>: 1 ()
1 0,000 0,000 0,003 0,003 <строка>: 1 (<модуль>)
1 0,000 0,000 0,003 0,003 {встроенные методы builtins.exec}
1 0,001 0,001 0,003 0,003 {встроенный метод builtins.sum}
1 0.000 0.000 0.000 0.000 {метод 'disable' объектов '_lsprof.Profiler'}
Здесь вы можете видеть, что суммирование всех значений в понимании списка заняло около трети времени, чем суммирование по генератору. Если скорость важна, а память — нет, то составление списка, вероятно, будет лучшим инструментом для работы.
Примечание: Эти измерения действительны не только для объектов, созданных с помощью выражений генератора.Они также одинаковы для объектов, созданных из аналогичной функции генератора, поскольку результирующие генераторы эквивалентны.
Помните, составные части списков возвращают полные списки, в то время как выражения генератора возвращают генераторы. Генераторы работают одинаково, созданы ли они из функции или выражения. Использование выражения просто позволяет вам определять простые генераторы в одной строке с предполагаемым результатом yield в конце каждой внутренней итерации.
Оператор yield в Python, безусловно, является стержнем, на котором зиждется вся функциональность генераторов, поэтому давайте рассмотрим, как yield работает в Python.
Понимание заявления о доходности Python
В целом, yield — довольно простое утверждение. Его основная задача — управлять потоком функции генератора аналогично оператору return . Однако, как вкратце упоминалось выше, у оператора yield в Python есть несколько хитростей.
Когда вы вызываете функцию генератора или используете выражение генератора, вы возвращаете специальный итератор, называемый генератором. Вы можете назначить этот генератор переменной, чтобы использовать его.Когда вы вызываете специальные методы в генераторе, такие как next () , код внутри функции выполняется до yield .
При срабатывании оператора yield в Python программа приостанавливает выполнение функции и возвращает полученное значение вызывающей стороне. (Напротив, return полностью останавливает выполнение функции.) Когда функция приостанавливается, состояние этой функции сохраняется. Это включает в себя любые привязки переменных, локальные для генератора, указатель инструкции, внутренний стек и любую обработку исключений.
Это позволяет вам возобновлять выполнение функции всякий раз, когда вы вызываете один из методов генератора. Таким образом, оценка всех функций возобновляется сразу после yield . Вы можете увидеть это в действии, используя несколько операторов yield в Python:
>>> def multi_yield ():
... yield_str = "Будет напечатана первая строка"
... yield yield_str
... yield_str = "Будет напечатана вторая строка"
... yield yield_str
...
>>> multi_obj = multi_yield ()
>>> печать (следующий (multi_obj))
Это напечатает первую строку
>>> печать (следующий (multi_obj))
Это напечатает вторую строку
>>> печать (следующий (multi_obj))
Отслеживание (последний вызов последний):
Файл "", строка 1, в
StopIteration
Присмотритесь к последнему звонку по номеру next () .Вы можете видеть, что исполнение взорвалось отслеживанием. Это потому, что генераторы, как и все итераторы, могут быть исчерпаны. Если ваш генератор не бесконечен, вы можете выполнить его итерацию только один раз. Как только все значения будут оценены, итерация остановится, и цикл для завершится. Если вы использовали next () , то вместо этого вы получите явное исключение StopIteration .
Примечание. StopIteration — естественное исключение, которое возникает, чтобы сигнализировать об окончании итератора.Например, для циклов построены вокруг StopIteration . Вы даже можете реализовать свой собственный цикл для , используя цикл и :
>>> letter = ["a", "b", "c", "y"]
>>> it = iter (буквы)
>>> в то время как True:
... пытаться:
... буква = далее (оно)
... кроме StopIteration:
... перерыв
... печать (письмо)
...
а
б
c
у
Подробнее о StopIteration можно прочитать в документации Python по исключениям.Чтобы узнать больше об итерациях в целом, ознакомьтесь с Python «for» Loops (Definite Iteration) и Python «while» Loops (Indefinite Iteration).
yield можно использовать разными способами для управления потоком выполнения вашего генератора. Если позволяет ваше творчество, можно использовать несколько операторов yield.
Использование расширенных методов генератора
Вы видели наиболее распространенные варианты использования и конструкции генераторов, но есть еще несколько уловок, которые нужно осветить.В дополнение к yield , объекты-генераторы могут использовать следующие методы:
-
. Отправить () -
. Бросок () -
. Закрыть ()
Как использовать
.send () В следующем разделе вы создадите программу, которая использует все три метода. Эта программа будет печатать числовые палиндромы, как и раньше, но с некоторыми изменениями. При обнаружении палиндрома ваша новая программа добавит цифру и начнет поиск следующей оттуда.Вы также будете обрабатывать исключения с помощью .throw () и останавливать генератор после заданного количества цифр с помощью .close () . Во-первых, давайте вспомним код вашего детектора палиндрома:
def is_palindrome (число):
# Пропустить ввод однозначных чисел
если число // 10 == 0:
вернуть ложь
temp = число
reversed_num = 0
в то время как temp! = 0:
reversed_num = (reversed_num * 10) + (темп% 10)
темп = темп // 10
если num == reversed_num:
вернуть True
еще:
вернуть ложь
Это тот же код, который вы видели ранее, за исключением того, что теперь программа возвращает строго True или False .Вам также потребуется изменить исходный генератор бесконечной последовательности, например:
1def infinite_palindromes ():
2 число = 0
3, пока True:
4, если is_palindrome (num):
5 i = (yield num)
6, если i не None:
7 число = i
Число 8 + = 1
Здесь много изменений! Первое, что вы увидите, находится в строке 5, где i = (yield num) . Хотя ранее вы узнали, что yield — это утверждение, это еще не все.
Начиная с Python 2.5 (тот же выпуск, который представил методы, о которых вы сейчас изучаете), yield является выражением , а не выражением. Конечно, вы все еще можете использовать это как утверждение. Но теперь вы также можете использовать его, как вы видите в блоке кода выше, где i принимает полученное значение. Это позволяет вам манипулировать полученным значением. Что еще более важно, это позволяет вам .send () передать значение обратно генератору. Когда выполнение начинается после yield , i примет отправленное значение.
Вы также проверите , если i не равно None , что может произойти, если для объекта-генератора вызывается next () . (Это также может произойти, когда вы выполняете итерацию с циклом для ). Если i имеет значение, вы обновляете num новым значением. Но независимо от того, содержит ли i значение или нет, вы затем увеличите до и снова запустите цикл.
Теперь взгляните на код основной функции, который отправляет наименьшее число с другой цифрой обратно в генератор.Например, если палиндром 121, то будет .send () 1000:
pal_gen = бесконечные_палиндромы ()
для i в pal_gen:
цифры = len (str (i))
pal_gen.send (10 ** (цифры))
С помощью этого кода вы создаете объект-генератор и выполняете итерацию по нему. Программа выдает значение только после обнаружения палиндрома. Он использует len () для определения количества цифр в этом палиндроме. Затем он отправляет генератору 10 ** цифр .Это возвращает выполнение в логику генератора и присваивает 10 ** цифр i . Поскольку i теперь имеет значение, программа обновляет num , увеличивает и снова проверяет наличие палиндромов.
Как только ваш код найдет и выдаст другой палиндром, вы выполните итерацию через цикл для . Это то же самое, что итерация с next () . Генератор также поднимается в строке 5 с i = (yield num) . Однако теперь i — это None , потому что вы не отправляли значение явно.
Здесь вы создали сопрограмму или функцию-генератор, в которую вы можете передавать данные. Они полезны для построения конвейеров данных, но, как вы скоро увидите, они не нужны для их построения. (Если вы хотите погрузиться глубже, то этот курс по сопрограммам и параллелизму является одним из наиболее всеобъемлющих доступных методов лечения.)
Теперь, когда вы узнали о .send () , давайте взглянем на .throw () .
Как использовать
.бросить () .throw () позволяет генерировать исключения с генератором. В приведенном ниже примере вы вызываете исключение в строке 6. Этот код вызовет ValueError , когда цифр достигнет 5:
1pal_gen = бесконечные_палиндромы ()
2для i в pal_gen:
3 отпечатка (i)
4 цифры = len (str (i))
5, если цифры == 5:
6 pal_gen.throw (ValueError («Нам не нравятся большие палиндромы»))
7 pal_gen.send (10 ** (цифры))
Это то же самое, что и предыдущий код, но теперь вы проверите, равно ли цифр 5.Если это так, то вы получите .throw () a ValueError . Чтобы убедиться, что это работает должным образом, взгляните на вывод кода:
11
111
1111
10101
Отслеживание (последний вызов последний):
Файл "advanced_gen.py", строка 47, в
главный()
Файл "advanced_gen.py", строка 41, в основном
pal_gen.throw (ValueError («Нам не нравятся большие палиндромы»))
Файл "advanced_gen.py", строка 26, в infinite_palindromes
i = (число доходности)
ValueError: нам не нравятся большие палиндромы
.throw () полезен в любых областях, где вам может потребоваться перехватить исключение. В этом примере вы использовали .throw () , чтобы контролировать, когда вы прекратили итерацию через генератор. Вы можете сделать это более элегантно с помощью .close () .
Как использовать
.close () Как следует из названия, .close () позволяет остановить генератор. Это может быть особенно удобно при управлении генератором бесконечной последовательности. Давайте обновим приведенный выше код, изменив .throw () с по .close () , чтобы остановить итерацию:
1pal_gen = бесконечные_палиндромы ()
2для i в pal_gen:
3 отпечатка (i)
4 цифры = len (str (i))
5, если цифры == 5:
6 pal_gen.close ()
7 pal_gen.send (10 ** (цифры))
Вместо вызова .throw () , вы используете .close () в строке 6. Преимущество использования .close () состоит в том, что он вызывает StopIteration , исключение, используемое для сигнализации об окончании конечный итератор:
11
111
1111
10101
Отслеживание (последний вызов последний):
Файл "advanced_gen.py ", строка 46, в
главный()
Файл "advanced_gen.py", строка 42, в основном
pal_gen.send (10 ** (цифры))
StopIteration
Теперь, когда вы узнали больше о специальных методах, которые поставляются с генераторами, давайте поговорим об использовании генераторов для построения конвейеров данных.
Создание конвейеров данных с помощью генераторов
Конвейеры данных позволяют объединять код для обработки больших наборов данных или потоков данных, не превышая объем памяти вашего компьютера. Представьте, что у вас есть большой CSV-файл:
. постоянная ссылка, компания, numEmps, категория, город, штат, финансируемая дата, поднятая сумма, поднятая валюта, раунд
digg, Digg, 60, web, Сан-Франциско, Калифорния, 1 декабря 06,8500000, долл. США, b
digg, Digg, 60, web, Сан-Франциско, Калифорния, 1 октября 2005 г., 2800000, долл. США, a
facebook, Facebook, 450, web, Пало-Альто, Калифорния, 1 сентября 04 500000, долл. США, ангел
facebook, Facebook, 450, web, Пало-Альто, Калифорния, 1 мая-05,12700000, долл. США, a
photobucket, Photobucket, 60, web, Пало-Альто, Калифорния, 1 марта 05,3000000, долл. США, a
Этот пример взят из набора TechCrunch Continental USA, который описывает раунды финансирования и суммы в долларах для различных стартапов, базирующихся в США.Щелкните ссылку ниже, чтобы загрузить набор данных:
Пора заняться обработкой на Python! Чтобы продемонстрировать, как создавать конвейеры с помощью генераторов, вы собираетесь проанализировать этот файл, чтобы получить общее и среднее значение всех раундов серии A в наборе данных.
Давайте придумаем стратегию:
- Прочитать каждую строку файла.
- Разделите каждую строку на список значений.
- Извлеките имена столбцов.
- Используйте имена столбцов и списки для создания словаря.
- Отфильтруйте раунды, которые вам не интересны.
- Рассчитайте общие и средние значения для интересующих вас раундов.
Обычно вы можете сделать это с помощью такого пакета, как pandas , но вы также можете достичь этой функциональности с помощью всего нескольких генераторов. Вы начнете с чтения каждой строки из файла с помощью выражения генератора:
1file_name = "techcrunch.csv"
2lines = (строка для открытой строки (имя_файла))
Затем вы воспользуетесь другим выражением генератора вместе с предыдущим, чтобы разделить каждую строку на список:
3list_line = (s.rstrip (). split (",") для s в строках)
Здесь вы создали генератор list_line , который проходит через первый генератор строк . Это распространенный шаблон, который используют при проектировании конвейеров генератора. Затем вы извлечете имена столбцов из techcrunch.csv . Поскольку имена столбцов, как правило, составляют первую строку в файле CSV, вы можете получить это с помощью короткого вызова next () :
Этот вызов next () однократно продвигает итератор по генератору list_line .Соберите все это вместе, и ваш код должен выглядеть примерно так:
1file_name = "techcrunch.csv"
2lines = (строка для открытой строки (имя_файла))
3list_line = (s.rstrip (). Split (",") для s в строках)
4cols = следующий (list_line)
Подводя итог, сначала создайте генератор выражения строк , чтобы получить каждую строку в файле. Затем вы перебираете этот генератор в определении другого выражения генератора , называемого list_line , которое превращает каждую строку в список значений.Затем вы продвигаете итерацию list_line только один раз с next () , чтобы получить список имен столбцов из вашего CSV-файла.
Примечание : Остерегайтесь завершающих символов новой строки! Этот код использует преимущество .rstrip () в выражении генератора list_line , чтобы убедиться, что нет завершающих символов новой строки, которые могут присутствовать в файлах CSV.
Чтобы помочь вам фильтровать и выполнять операции с данными, вы создадите словари, в которых ключи будут именами столбцов из CSV:
5company_dicts = (dict (zip (cols, data)) для данных в list_line)
Это выражение генератора выполняет итерацию по спискам, созданным list_line .Затем он использует zip () и dict () для создания словаря, как указано выше. Теперь вы воспользуетесь четвертым генератором , чтобы отфильтровать раунд финансирования, который вам нужен, и вытащите также раундов :
6funding = (
7 интервал (company_dict ["raiseAmt"])
8 для company_dict в company_dicts
9 если company_dict ["round"] == "a"
10)
В этом фрагменте кода выражение генератора выполняет итерацию по результатам company_dicts и принимает routedAmt для любого company_dict , где ключ раунда равен "a" .
Помните, что вы не повторяете все это сразу в выражении генератора. Фактически, вы ничего не повторяете, пока не используете цикл для или функцию, которая работает с итерациями, например sum () . Фактически, вызовите sum () сейчас, чтобы перебрать генераторы:
11total_series_a = сумма (финансирование)
Собрав все это вместе, вы получите следующий скрипт:
1file_name = "techcrunch.csv "
2lines = (строка для открытой строки (имя_файла))
3list_line = (s.rstrip () split (",") для s в строках)
4cols = следующий (list_line)
5company_dicts = (dict (zip (cols, data)) для данных в list_line)
6funding = (
7 интервал (company_dict ["raiseAmt"])
8 для company_dict в company_dicts
9 если company_dict ["round"] == "a"
10)
11total_series_a = сумма (финансирование)
12print (f "Всего сбор средств для серии A: $ {total_series_a}")
Этот сценарий объединяет каждый созданный вами генератор, и все они функционируют как один большой конвейер данных.Вот разбивка по строкам:
- Строка 2 читает каждую строку файла.
- Строка 3 разбивает каждую строку на значения и помещает значения в список.
- Строка 4 использует
next ()для хранения имен столбцов в списке. - Строка 5 создает словари и объединяет их с помощью вызова
zip ():- Ключи — это имена столбцов
colsиз строки 4. - Значения — это строки в форме списка, созданные в строке 3.
- Ключи — это имена столбцов
- Строка 6 содержит суммы финансирования серии A каждой компании. Он также отфильтровывает любую другую собранную сумму.
- Строка 11 начинает процесс итерации с вызова
sum (), чтобы получить общую сумму финансирования серии A, найденную в CSV.
Когда вы запустите этот код на techcrunch.csv , вы должны найти в общей сложности 4 376 015 000 долларов, собранных в рамках серии A раундов финансирования.
Примечание: Методы обработки файлов CSV, разработанные в этом руководстве, важны для понимания того, как использовать генераторы и оператор yield в Python.Однако, когда вы работаете с CSV-файлами в Python, вам следует вместо этого использовать модуль csv , включенный в стандартную библиотеку Python. В этом модуле есть оптимизированные методы для эффективной обработки файлов CSV.
Чтобы копнуть еще глубже, попробуйте вычислить среднюю сумму, привлеченную на компанию в раунде серии A. Это немного сложнее, поэтому вот несколько подсказок:
- Генераторы исчерпывают себя после полной итерации.
- Вам по-прежнему понадобится функция
sum ().
Удачи!
Заключение
В этом руководстве вы узнали о функциях генератора и выражениях генератора .
Теперь вы знаете:
- Как использовать и писать функции генератора и выражения генератора
- Как важнейшее заявление Python yield включает генераторы
- Как использовать несколько операторов yield Python в функции генератора
- Как использовать
.send ()для отправки данных в генератор - Как использовать
.throw ()для вызова исключений генератора - Как использовать
.close ()для остановки итерации генератора - Как построить конвейер генератора для эффективной обработки больших файлов CSV
Вы можете получить набор данных, который вы использовали в этом руководстве, по ссылке ниже:
Как генераторы помогли вам в работе или проектах? Если вы только изучаете их, как вы планируете использовать их в будущем? Вы нашли хорошее решение проблемы с конвейером данных? Дайте нам знать в комментариях ниже!
Смотреть сейчас В этом руководстве есть связанный видеокурс, созданный командой Real Python.Посмотрите его вместе с письменным руководством, чтобы углубить свое понимание: Генераторы Python 101
% PDF-1.4 % 3327 0 объект > эндобдж xref 3327 151 0000000017 00000 н. 0000003961 00000 н. 0000004171 00000 п. 0000005061 00000 н. 0000005226 00000 н. 0000005412 00000 н. 0000005583 00000 н. 0000005677 00000 н. 0000006684 00000 п. 0000007286 00000 н. 0000007556 00000 н. 0000007951 00000 н. 0000008229 00000 н. 0000008277 00000 н. 0000008347 00000 н. 0000028485 00000 п. 0000041385 00000 п. 0000044545 00000 п. 0000044751 00000 п. 0000044858 00000 н. 0000045036 00000 п. 0000045142 00000 п. 0000045268 00000 п. 0000045432 00000 п. 0000045589 00000 п. 0000045706 00000 п. 0000045870 00000 п. 0000045996 00000 п. 0000046163 00000 п. 0000046325 00000 п. 0000046464 00000 н. 0000046623 00000 п. 0000046720 00000 п. 0000046866 00000 п. 0000047035 00000 п. 0000047200 00000 н. 0000047317 00000 п. 0000047492 00000 п. 0000047600 00000 п. 0000047750 00000 п. 0000047923 00000 п. 0000048027 00000 п. 0000048133 00000 п. 0000048293 00000 п. 0000048418 00000 п. 0000048529 00000 н. 0000048642 00000 н. 0000048758 00000 п. 0000048882 00000 н. 0000049038 00000 п. 0000049134 00000 п. 0000049233 00000 п. 0000049376 00000 п. 0000049491 00000 п. 0000049632 00000 п. 0000049742 00000 п. 0000049854 00000 п. 0000050014 00000 п. 0000050112 00000 п. 0000050249 00000 п. 0000050365 00000 п. 0000050529 00000 п. 0000050675 00000 п. 0000050832 00000 п. 0000050934 00000 п. 0000051056 00000 п. 0000051231 00000 п. 0000051346 00000 п. 0000051463 00000 п. 0000051582 00000 п. 0000051747 00000 п. 0000051862 00000 п. 0000051979 00000 п. 0000052094 00000 п. 0000052211 00000 п. 0000052315 00000 п. 0000052419 00000 п. 0000052543 00000 п. 0000052666 00000 п. 0000052789 00000 п. 0000052907 00000 п. 0000053021 00000 п. 0000053187 00000 п. 0000053296 00000 н. 0000053411 00000 п. 0000053539 00000 п. 0000053664 00000 п. 0000053775 00000 п. 0000053894 00000 п. 0000054014 00000 п. 0000054135 00000 п. 0000054282 00000 п. 0000054429 00000 п. 0000054535 00000 п. 0000054654 00000 п. 0000054785 00000 п. 0000054948 00000 п. 0000055044 00000 п. 0000055150 00000 п. 0000055258 00000 п. 0000055356 00000 п. 0000055452 00000 п. 0000055563 00000 п. 0000055715 00000 п. 0000055809 00000 п. 0000055905 00000 п. 0000056018 00000 п. 0000056133 00000 п. 0000056295 00000 п. 0000056394 00000 п. 0000056533 00000 п. 0000056690 00000 н. 0000056784 00000 п. 0000056880 00000 п. 0000057033 00000 п. 0000057135 00000 п. 0000057245 00000 п. 0000057353 00000 п. 0000057481 00000 п. 0000057648 00000 п. 0000057748 00000 п. 0000057844 00000 п. 0000057960 00000 п. 0000058067 00000 п. 0000058180 00000 п. 0000058289 00000 п. 0000058410 00000 п. 0000058525 00000 п. 0000058648 00000 п. 0000058777 00000 п. 0000058915 00000 п. 0000059022 00000 н. 0000059174 00000 п. 0000059259 00000 п. 0000059446 00000 п. 0000059546 00000 п. 0000059647 00000 п. 0000059770 00000 п. 0000059890 00000 н. 0000060007 00000 п. 0000060133 00000 п. 0000060243 00000 п. 0000060400 00000 н. 0000060523 00000 п. 0000060629 00000 п. 0000060732 00000 п. 0000060839 00000 п. 0000060968 00000 п. 0000061087 00000 п. 0000061208 00000 п. 0000061323 00000 п. трейлер ] / Инфо 3324 0 R / Назад 1525635 / Корень 3328 0 R / Размер 3478 / Источник (WeJXFxNO4fJduyUMetTcP9 + oaONfINN4 + d7KzMm0IFsszl68JFjMMMs1fF02xEVfB9khgm8VtCFmyd8gIrwOjQRAIjPsWhM4vgMCV \ 8KvVF / K8lfg9NpDULLUZGCuNjw1Qa8tSvtY8SEBGEg =) >> startxref 0 %% EOF 3328 0 объект > эндобдж 3329 0 объект > транслировать xKlLQs; vF} h jZ * MF Eh6 DE7 $! a! «; $ F * 2ba | s ϭE $ GdlGadB dF #? Fu =
MIT App Inventor Math Blocks
Не можете найти математический блок, который вы ищете, во встроенных блоках?
Некоторые математические блоки являются выпадающими, что означает, что они могут быть преобразованы в разные блоки., круглая, потолочная, напольная
по модулю, остаток, частное от
sin, cos, tan, asin, acos, atan
преобразовать радианы в градусы, преобразовать градусы в радианы
Базовый числовой блок
Может использоваться как любое положительное или отрицательное число. Нажатие на «0» в блоке позволит вам изменить число.
Блок поддерживает обычные числа с основанием 10 (например: 2, 12 и 2.12), а также C-подобные префиксы для других числовых баз. Поддерживает:
- Base-2 (двоичные) числа, например 0b10 (2 в десятичной системе)
- Base-8 (восьмеричные) числа, например 0o14 (12 в десятичной системе)
- Base-16 (шестнадцатеричные) числа, например 0xd4 (212 в десятичной системе)
Блок счисления системы счисления
Представляет десятичное число. Щелчок по «0» позволит вам изменить число.
Щелчок по раскрывающемуся списку позволит вам ввести число в другой системе счисления (также известной как основание системы счисления).Затем число будет «переведено» в десятичное (также известное как основание 10).
Например, эти три блока эквивалентны:
Раскрывающийся список поддерживает: десятичный (основание-10), двоичный (основание-2), восьмеричный (основание-8) и шестнадцатеричный (основание-16) форматы ввода.
Десятичный режим позволяет вводить любое положительное или отрицательное число (например, 2, -12, 2,12). В других режимах можно вводить только целое число (то есть любое положительное число или ноль).
= {# =}
Проверяет, равны ли два числа, и возвращает истину или ложь.
≠ {# not =}
Проверяет, не равны ли два числа, и возвращает истину или ложь.
>
Проверяет, больше ли первое число второго и возвращает истину или ложь.
≥
Проверяет, больше ли первое число второму или равно ему, и возвращает истину или ложь.
<Проверяет, меньше ли первое число второго и возвращает истину или ложь.
≤
Проверяет, меньше ли первое число второму или равно ему, и возвращает истину или ложь.
+
Возвращает результат сложения любого количества блоков, имеющих числовое значение. Блоки с числовым значением включают в себя базовый числовой блок, длину списка или текста, переменные с числовым значением и т. Д. Этот блок является мутатором и может быть расширен, чтобы добавить больше чисел в сумму.
–
*
Возвращает результат умножения любого количества блоков, имеющих числовое значение.
Возвращает результат первого числа в степени второго.
случайное целое число
Возвращает случайное целое число между заданными значениями включительно. Порядок аргументов не имеет значения.
случайная дробь
Возвращает случайное значение от 0 до 1.
случайным образом установленное начальное число на
Используйте этот блок для генерации повторяемых последовательностей случайных чисел.Вы можете сгенерировать ту же последовательность случайных чисел, сначала вызвав random set seed с тем же значением. Это полезно для тестирования программ, использующих случайные значения.
мин.
Возвращает наименьшее значение набора чисел. Если в блоке есть отключенные сокеты, min также будет считать 0 в своем наборе чисел. Этот блок представляет собой мутатор и раскрывающийся список.
макс
Возвращает наибольшее значение набора чисел. Если в блоке есть отключенные сокеты, max также будет считать 0 в своем наборе чисел.
Возвращает e (2,71828…) в степени данного числа.
круглый
Возвращает заданное число, округленное до ближайшего целого. Если дробная часть <0,5, она будет округлена в меньшую сторону. Если оно> 0,5, оно будет округлено в большую сторону. Если он точно равен 0,5, числа с четной целой частью будут округлены в меньшую сторону, а числа с нечетной целой частью будут округлены в большую сторону. (Этот метод называется округлением до четного.)
потолок
Возвращает наименьшее целое число, которое больше или равно заданному числу.
этаж
Возвращает наибольшее целое число, меньшее или равное заданному числу.
по модулю
По модулю (a, b) то же самое, что и остаток (a, b), когда a и b положительны. В более общем смысле, модуль (a, b) определяется для любых a и b так, что (floor (a / b) × b) + modulo (a, b) = a. Например, по модулю (11, 5) = 1, по модулю (-11, 5) = 4, по модулю (11, -5) = -4, по модулю (-11, -5) = -1. По модулю (a, b) всегда тот же знак, что и b, в то время как остаток (a, b) всегда имеет тот же знак, что и a.
остаток
Remainder (a, b) возвращает результат деления a на b и взятия остатка. Остаток — это дробная часть результата, умноженная на b.
Например, остаток (11,5) = 1, потому что
11/5 = 2 1 ⁄ 5
В данном случае 1 ⁄ 5 — дробная часть. Мы умножаем это на b, в данном случае на 5, и получаем 1, наш остаток.
Другие примеры: остаток (-11, 5) = -1, остаток (11, -5) = 1 и остаток (-11, -5) = -1.
частное
Возвращает результат деления первого числа на второе и отбрасывания любой дробной части результата.
грех
Возвращает синус заданного числа в градусах.
cos
Возвращает косинус заданного числа в градусах.
загар
Возвращает тангенс заданного числа в градусах.
asin
Возвращает арксинус заданного числа в градусах.
acos
Возвращает арккосинус заданного числа в градусах.
атан
Возвращает арктангенс заданного числа в градусах.
atan2
Возвращает арктангенс y / x для заданных y и x.
преобразовать радианы в градусы
Возвращает значение заданного числа в градусах в радианах. Результатом будет угол в диапазоне [0, 360)
.преобразовать градусы в радианы
Возвращает значение заданного числа в градусах в радианах.Результатом будет угол в диапазоне [-π, + π)
. Форматкак десятичный
Форматирует число как десятичное с заданным количеством знаков после запятой. Количество мест должно быть целым неотрицательным числом. Результат получается округлением числа (если мест слишком много) или добавлением нулей справа (если их слишком мало).
— это число?
Возвращает истину, если данный объект является числом, и ложь в противном случае.
преобразовать число
Принимает текстовую строку, представляющую положительное целое число с одной базой, и возвращает строку, которая представляет то же самое число с другой базой. Например, если входная строка равна 10, то преобразование из базы 10 в двоичное даст строку 1010; в то время как, если входная строка — это то же самое 10, тогда преобразование из двоичного в базовый 10 даст строку 2. Если входная строка такая же 10, то преобразование из базы 10 в шестнадцатеричное приведет к строке A.
побитовое и
Принимает два числа и сравнивает каждую пару битов. Каждый бит результата равен 1, только если соответствующие биты обоих операндов равны 1.
Пример:
| Десятичное | Двоичное (внутреннее представление) | |
|---|---|---|
| 6 | 0 1 1 0 | |
| 3 | 0 0 1 1 | |
| Результат: | 2 | 0 0 1 0 |
Побитовое ИЛИ (включительно)
Принимает два числа и сравнивает каждую пару битов.Каждый бит результата равен 1, если любой из соответствующих битов в каждом операнде равен 1.
Пример:
| Десятичное | Двоичное (внутреннее представление) | |
|---|---|---|
| 6 | 0 1 1 0 | |
| 3 | 0 0 1 1 | |
| Результат: | 7 | 0 1 1 1 |
побитовое ИЛИ (Исключительно)
Принимает два числа и сравнивает каждую пару битов.

При перегрузке по активной мощности дизельный двигатель заглохнет.Это необходимо учитывать при балансе активной мощности приоритетных нагрузок.
В результате получается стабилизированный устойчивый ток короткого замыкания:
N5 — Пример таблицы импеданса (в%)
…
T.A.R.S. Значок